Запчасти Komatsu WA500-3 ПОЛ Э/ПРОВОДКА (ДЖОЙСТИК Э/ПРОВОДКА) (КРОМЕ ЯПОН.)(№-) КАБИНА ОПЕРАТОРА И СИСТЕМА УПРАВЛЕНИЯ

Схема запчастей Komatsu WA500-3 - ПОЛ Э/ПРОВОДКА (ДЖОЙСТИК Э/ПРОВОДКА) (КРОМЕ ЯПОН.)(№-) КАБИНА ОПЕРАТОРА И СИСТЕМА УПРАВЛЕНИЯ
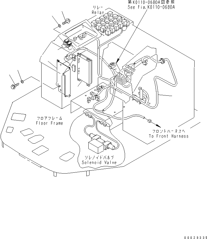
1
2
3
4
6
7
8
9
FIT
1:1
100%

Артикул

Название

Примечание

Количество

1

425-S33-2713

WIRING HARNESS

SN: 52196-UP

1шт.

1

425-S33-2712

WIRING HARNESS

SN: 52016-52195

1шт.

1

0

WIRING HARNESS

SN: 52001-52015

1шт.

1

08020-10000

DIODE

SN: 50001-UP

2шт.

2

7823-25-1004

CONTROLLER,JOY STICK STEERING

SN: 52160-UP

1шт.

2

7823-25-1003

CONTROLLER,JOY STICK STEERING

SN: 52016-52159

1шт.

2

0

CONTROLLER,JOY STICK STEERING

SN: 50886-52015

1шт.

3

425-06-21211

BRACKET

SN: 52001-UP

1шт.

4

01435-01016

BOLT

SN: 52001-UP

4шт.

6

01643-30623

WASHER

SN: 52001-UP

4шт.

7

01435-00816

BOLT

SN: 52001-UP

4шт.

8

01643-31032

WASHER

SN: 52001-UP

4шт.

9

426-56-21490

SWITCH,POWER WINDOW

SN: 52001-UP

2шт.

Выбрано товаров: 13