Запчасти Komatsu WA500-3 ГИДРОТРАНСФОРМАТОР И ТРАНСМИССИЯ КРЕПЛЕНИЕ ГИДРОТРАНСФОРМАТОР И ТРАНСМИССИЯ

Схема запчастей Komatsu WA500-3 - ГИДРОТРАНСФОРМАТОР И ТРАНСМИССИЯ КРЕПЛЕНИЕ ГИДРОТРАНСФОРМАТОР И ТРАНСМИССИЯ
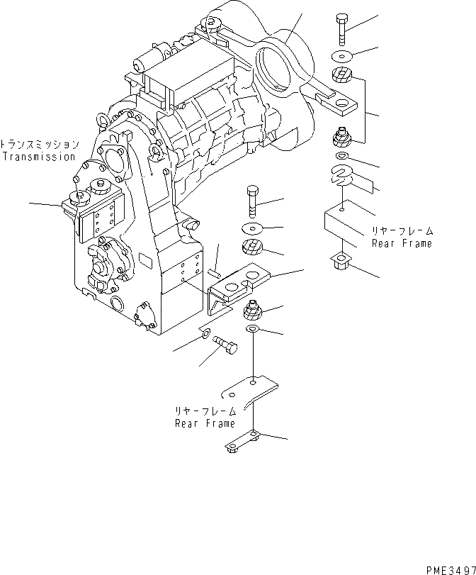
1
2
3
4
5
5
6
7
8
9
9
10
11
12
13
14
15
16
FIT
1:1
100%

Артикул

Название

Примечание

Количество

1

425-14-11121

TRUNNION

SN: 50001-UP

1шт.

2

418-01-11111

CUSHION ASS'Y

SN: 50001-UP

2шт.

3

01011-62230

BOLT

SN: 50001-UP

2шт.

4

419-01-11162

WASHER

SN: 50001-UP

4шт.

5

425-14-11132

BRACKET

SN: 50001-UP

2шт.

6

01010-31650

BOLT

SN: .-UP

8шт.

|6

0

BOLT

SN: 50001-.

8шт.

7

01643-31645

WASHER

SN: 50001-UP

8шт.

8

04020-01228

PIN,DOWEL

SN: 50001-UP

4шт.

9

418-01-11111

CUSHION ASS'Y

SN: 50001-UP

4шт.

10

01011-62230

BOLT

SN: 50001-UP

4шт.

11

419-01-11162

WASHER

SN: 50001-UP

4шт.

12

419-01-11162

WASHER

SN: 50001-UP

2шт.

13

425-01-11250

PLATE

SN: 50001-UP

2шт.

14

419-01-11162

WASHER

SN: 50001-UP

4шт.

15

425-14-11160

PLATE

SN: 50001-UP

2шт.

16

421-14-11170

SHIM¤ 0.5MM

SN: 50001-UP

16шт.

Выбрано товаров: 17