Запчасти Komatsu WA500-3 ГИДРАВЛ ЛИНИЯ (АККУМУЛЯТОР¤ СОЛЕНОИДНЫЙ КЛАПАН И ЭЛЕМЕНТЫ КРЕПЛЕНИЯ) (С ECSS)(№-89) ГИДРАВЛИКА

Схема запчастей Komatsu WA500-3 - ГИДРАВЛ ЛИНИЯ (АККУМУЛЯТОР¤ СОЛЕНОИДНЫЙ КЛАПАН И ЭЛЕМЕНТЫ КРЕПЛЕНИЯ) (С ECSS)(№-89) ГИДРАВЛИКА
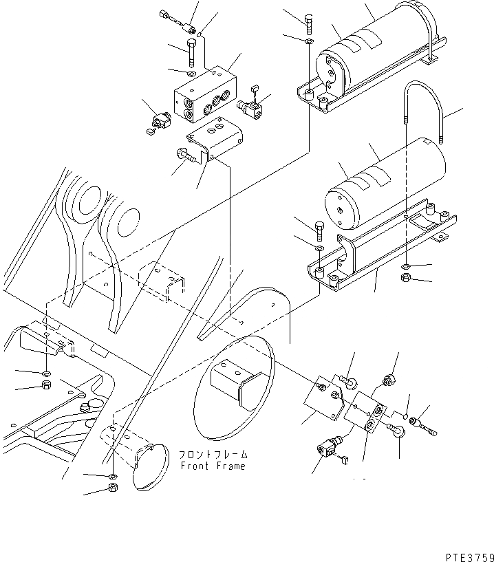
1
2
3
4
5
6
7
7
8
8
8
8
9
9
10
10
11
12
13
14
15
16
17
18
19
20
21
22
23
24
24
25
25
FIT
1:1
100%

Артикул

Название

Примечание

Количество

1

721-32-15071

ACCUMULATOR ASS'Y,HIGH PRESSURE

SN: 50244-50893

1шт.

|1

0

ACCUMULATOR ASS'Y,HIGH PRESSURE

SN: 50001-50243

1шт.

2

721-32-15060

ACCUMULATOR ASS'Y,LOW PRESSURE

SN: 50001-50893

1шт.

3

425-S99-1110

BRACKET

SN: 50001-50893

2шт.

4

421-S99-1351

CLIP

SN: 50001-@

2шт.

5

01596-01211

NUT

SN: 50001-@

4шт.

6

01643-31232

WASHER

SN: 50001-@

4шт.

7

01010-81270

BOLT

SN: .-50893

8шт.

|7

0

BOLT

SN: 50001-.

8шт.

8

01643-31232

WASHER

SN: 50001-50893

16шт.

9

01580-11210

NUT

SN: 50001-50893

8шт.

10

09659-A057A

PLATE¤ SAFETY,(FOR JAPAN)

SN: 50517-@

2шт.

|10

09659-50100

PLATE¤ SAFETY,(FOR JAPAN)

SN: 50001-50516

2шт.

|10

09659-53000

PLATE¤ SAFETY,(FOR EC)

SN: 50001-@

2шт.

11

421-S99-2480

VALVE ASS'Y

SN: 50001-50893

1шт.

12

421-S99-1480

SOLENOID ASS'Y

SN: 50001-50893

3шт.

|12

421-S99-1910

O-RING

SN: 50001-@

1шт.

|12

421-S99-1920

O-RING

SN: 50001-@

1шт.

|12

421-S99-1930

RING,BACK-UP

SN: 50001-@

1шт.

|12

421-S99-1940

SOLENOID

SN: 50001-@

1шт.

|12

421-S99-1950

VALVE

SN: 50001-@

1шт.

|12

421-S99-1960

NUT

SN: 50001-@

1шт.

13

421-S99-2460

VALVE,SOLENOID

SN: 50001-50893

1шт.

14

01011-81230

BOLT

SN: 50001-50893

2шт.

15

01643-31232

WASHER

SN: 50001-50893

2шт.

16

421-S99-1390

BRACKET

SN: 50001-50893

1шт.

17

01435-01225

BOLT

SN: 50001-50893

2шт.

18

425-S99-2111

VALVE ASS'Y

SN: 50001-50893

1шт.

19

421-S99-1480

SOLENOID ASS'Y

SN: 50001-50893

1шт.

|19

421-S99-1910

O-RING

SN: 50001-50893

1шт.

|19

421-S99-1920

O-RING

SN: 50001-50893

1шт.

|19

421-S99-1930

RING,BACK-UP

SN: 50001-50893

1шт.

|19

421-S99-1940

SOLENOID

SN: 50001-50893

1шт.

|19

421-S99-1950

VALVE

SN: 50001-50893

1шт.

|19

421-S99-1960

NUT

SN: 50001-50893

1шт.

20

425-S99-2220

VALVE,CHECK

SN: 50001-50893

1шт.

21

425-S99-2121

PLATE

SN: 50001-50893

1шт.

22

01435-01225

BOLT

SN: 50001-50893

2шт.

23

01435-01290

BOLT

SN: 50001-50893

2шт.

24

07002-11423

O-RING

SN: 50001-50893

2шт.

25

425-S99-2281

SWITCH,PRESSURE

SN: 50709-50893

2шт.

|25

0

SWITCH,PRESSURE

SN: (50001-50708)

2шт.

Выбрано товаров: 42