Запчасти Komatsu WA500-3 ГИДРОЛИНИЯ РУЛЕВОГО УПРАВЛЕНИЯ (БАК - ПЕРЕПУСКН. КЛАПАН ЛИНИЯ) (С ЭКСТРЕНН. УПРАВЛ.) ГИДРАВЛИКА

Схема запчастей Komatsu WA500-3 - ГИДРОЛИНИЯ РУЛЕВОГО УПРАВЛЕНИЯ (БАК - ПЕРЕПУСКН. КЛАПАН ЛИНИЯ) (С ЭКСТРЕНН. УПРАВЛ.) ГИДРАВЛИКА
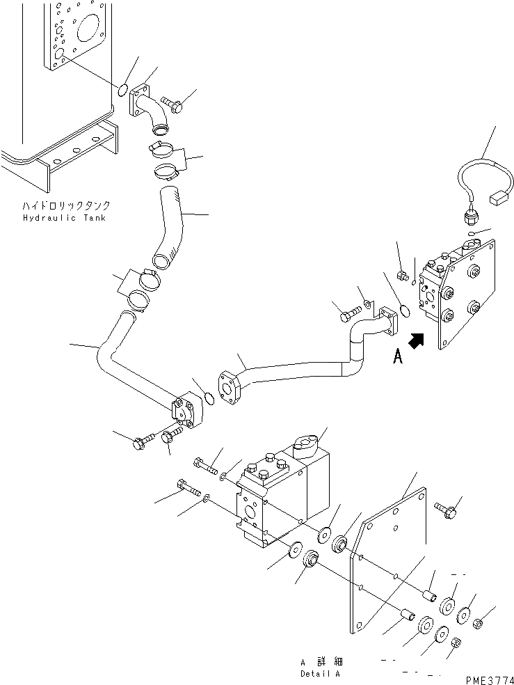
1
2
3
4
5
5
6
7
8
9
10
11
12
13
14
15
15
16
17
18
19
20
20
21
21
22
22
23
23
23
23
24
25
26
26
27
27
FIT
1:1
100%

Артикул

Название

Примечание

Количество

1

07000-13048

O-RING

SN: 50001-UP

1шт.

2

425-875-2510

TUBE

SN: 52001-UP

1шт.

|2

425-875-2171

TUBE

SN: 50001-52000

1шт.

3

01435-01230

BOLT

SN: 50001-UP

4шт.

4

07260-04132

HOSE

SN: 50001-UP

1шт.

5

07281-00609

CLAMP

SN: 50001-UP

4шт.

6

425-875-2180

TUBE

SN: 50001-UP

1шт.

7

01435-01260

BOLT

SN: 50001-UP

2шт.

8

01435-01270

BOLT

SN: 50001-UP

2шт.

9

07000-13048

O-RING

SN: 50001-UP

1шт.

10

425-875-2210

TUBE

SN: 50001-UP

1шт.

11

07372-21035

BOLT

SN: 50001-UP

4шт.

12

01643-51032

WASHER

SN: 50001-UP

4шт.

13

07000-13042

O-RING

SN: .-UP

1шт.

|13

0

O-RING

SN: 50001-.

1шт.

14

425-875-1100

VALVE ASS'Y

SN: 50001-UP

1шт.

15

07002-12034

O-RING

SN: 50001-UP

2шт.

16

421-06-21980

SWITCH

SN: 50001-UP

1шт.

17

07040-12012

PLUG

SN: 50001-UP

1шт.

18

425-875-2272

PLATE

SN: 50001-UP

1шт.

19

01435-01235

BOLT

SN: 50001-UP

4шт.

20

415-64-13130

CUSHION

SN: 50001-UP

4шт.

21

421-62-18560

SPACER

SN: 50001-UP

4шт.

22

419-43-17930

CUSHION

SN: 50001-UP

4шт.

23

415-64-13120

WASHER

SN: 50001-UP

8шт.

24

01011-81020

BOLT

SN: 50001-UP

2шт.

25

01011-81035

BOLT

SN: 50001-UP

2шт.

26

01643-31032

WASHER

SN: 50001-UP

4шт.

27

01596-01009

NUT

SN: 50001-UP

4шт.

Выбрано товаров: 0