Запчасти Komatsu WA500-3 БЛОКИРОВКА И КРЫШКИ(ДЛЯ ПЕРЕДН. И ЗАДН. РАМА) (С ВСАСЫВ. ВЕНТИЛЯТОРОМ)(№-) ОСНОВНАЯ РАМА И ЕЕ ЧАСТИ

Схема запчастей Komatsu WA500-3 - БЛОКИРОВКА И КРЫШКИ(ДЛЯ ПЕРЕДН. И ЗАДН. РАМА) (С ВСАСЫВ. ВЕНТИЛЯТОРОМ)(№-) ОСНОВНАЯ РАМА И ЕЕ ЧАСТИ
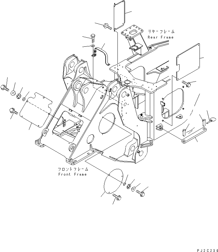
1
2
2
3
4
5
6
7
8
8
9
9
10
10
11
11
12
13
14
15
16
17
18
18
FIT
1:1
100%

Артикул

Название

Примечание

Количество

1

425-46-24110

BAR

SN: 50001-@

1шт.

2

425-46-12270

PIN

SN: 50001-@

2шт.

|2

04025-01065

PIN,SPRING

SN: 50001-@

1шт.

3

04050-10060

PIN,COTTER

SN: 50001-@

1шт.

4

421-46-12740

PIN,LINCH

SN: 50001-@

1шт.

5

425-S05-2560

GUARD

SN: 50001-52000

1шт.

6

01010-81640

BOLT

SN: 50001-@

2шт.

7

01643-31645

WASHER

SN: 50001-@

2шт.

8

01435-01225

BOLT

SN: 50001-@

6шт.

9

01435-01235

BOLT

SN: 50001-@

5шт.

10

415-46-11380

CUSHION

SN: 50001-@

5шт.

11

415-46-11370

SPACER

SN: 50001-@

5шт.

12

01640-22440

WASHER

SN: 50001-@

2шт.

13

01640-22232

WASHER

SN: 50001-@

3шт.

14

425-46-11132

COVER

SN: 50001-@

1шт.

15

425-46-11142

COVER

SN: 50001-@

2шт.

16

425-46-24130

COVER,R.H.

SN: 50001-@

1шт.

17

425-46-24140

COVER,L.H.

SN: 50001-@

1шт.

18

01435-01220

BOLT

SN: 50001-@

8шт.

Выбрано товаров: 19