Запчасти Komatsu WA500-3 КОРПУС АККУМУЛЯТОРА (КОРПУС И КРЕПЛЕНИЕ) (ЧАСТИ ДЛЯ ОБСЛУЖИВАНИЯМАШИНЫ)(№-) ЭЛЕКТРИКА

Схема запчастей Komatsu WA500-3 - КОРПУС АККУМУЛЯТОРА (КОРПУС И КРЕПЛЕНИЕ) (ЧАСТИ ДЛЯ ОБСЛУЖИВАНИЯМАШИНЫ)(№-) ЭЛЕКТРИКА
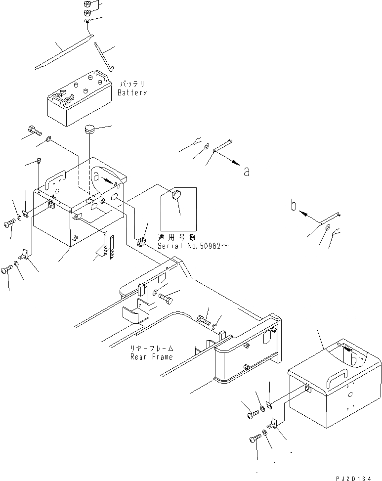
1
2
3
4
5
5
6
7
8
8
9
10
11
12
13
13
14
15
16
16
17
17
18
19
19
19
20
21
23
24
24A
25
26
27
28
FIT
1:1
100%

Артикул

Название

Примечание

Количество

|1

425-Z70-2010

BOX ASS'Y,BATTERY¤ L.H.

SN: 50631-UP

1шт.

1

425-Z70-2140

BOX

SN: 50631-UP

1шт.

2

421-06-24230

BAR

SN: 50631-UP

1шт.

3

01640-20816

WASHER

SN: .-UP

2шт.

|3

0

WASHER

SN: 50631-.

2шт.

4

04052-10833

PIN,SNAP

SN: 50631-UP

1шт.

5

421-09-12322

HOLDER

SN: 50631-UP

1шт.

6

01220-40408

SCREW

SN: 50631-UP

3шт.

7

01220-40410

SCREW

SN: 50631-UP

2шт.

8

01640-20408

WASHER

SN: .-UP

5шт.

|8

0

WASHER

SN: 50631-.

5шт.

|9

425-Z70-2020

BOX ASS'Y,BATTERY¤ R.H.

SN: 50631-UP

1шт.

9

425-Z70-2150

BOX

SN: 50631-UP

1шт.

10

421-06-24230

BAR

SN: 50631-UP

1шт.

11

01640-20816

WASHER

SN: .-UP

2шт.

|11

0

WASHER

SN: 50631-.

2шт.

12

04052-10833

PIN,SNAP

SN: 50631-UP

1шт.

13

421-09-12322

HOLDER

SN: 50631-UP

1шт.

14

01220-40408

SCREW

SN: 50631-UP

3шт.

15

01220-40410

SCREW

SN: 50631-UP

2шт.

16

01640-20408

WASHER

SN: .-UP

5шт.

|16

0

WASHER

SN: 50631-.

5шт.

17

01010-81660

BOLT

SN: 50001-UP

2шт.

18

01010-81650

BOLT

SN: 50001-UP

4шт.

19

01643-31645

WASHER

SN: 50001-UP

6шт.

20

423-06-11451

SHIM¤ 1.0MM

SN: 50001-UP

4шт.

|20

421-06-14120

SHIM¤ 3.2MM

SN: 50001-UP

4шт.

21

415-54-11980

CUSHION

SN: 50001-UP

4шт.

23

426-09-11230

GROMMET

SN: 50001-UP

2шт.

24

09415-05016

CAP

SN: 50001-UP

2шт.

24A

425-06-24110

CAP

SN: 50982-UP

4шт.

25

421-06-11221

HOLDER

SN: 50001-UP

2шт.

26

113-06-31120

BOLT

SN: 50001-UP

4шт.

27

01580-11008

NUT

SN: 50001-UP

8шт.

28

01643-31032

WASHER

SN: 50001-UP

4шт.

Выбрано товаров: 35