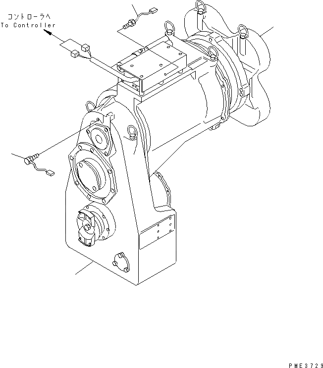
Запчасти Komatsu WA500-3 ГИДРОТРАНСФОРМАТОР И ТРАНСМИССИЯ (ДАТЧИК) ГИДРОТРАНСФОРМАТОР И ТРАНСМИССИЯ

Схема запчастей Komatsu WA500-3 - ГИДРОТРАНСФОРМАТОР И ТРАНСМИССИЯ (ДАТЧИК) ГИДРОТРАНСФОРМАТОР И ТРАНСМИССИЯ
1
2
3
4
FIT
1:1
100%

Артикул

Название

Примечание

Количество

1

425-15-21003

TRANSMISSION ASS'Y

SN: 50752-UP

1шт.

|1

425-15-21002

TRANSMISSION ASS'Y

SN: 50435-50751

1шт.

|1

0

TRANSMISSION ASS'Y

SN: 50001-50434

1шт.

2

711-53-21001

TORQUE CONVERTER A.

SN: 50001-UP

1шт.

3

7861-92-3320

SENSOR,TEMPERATURE

SN: 50001-UP

1шт.

4

7861-92-2330

SENSOR,PICK-UP

SN: 50001-UP

1шт.

Выбрано товаров: 6