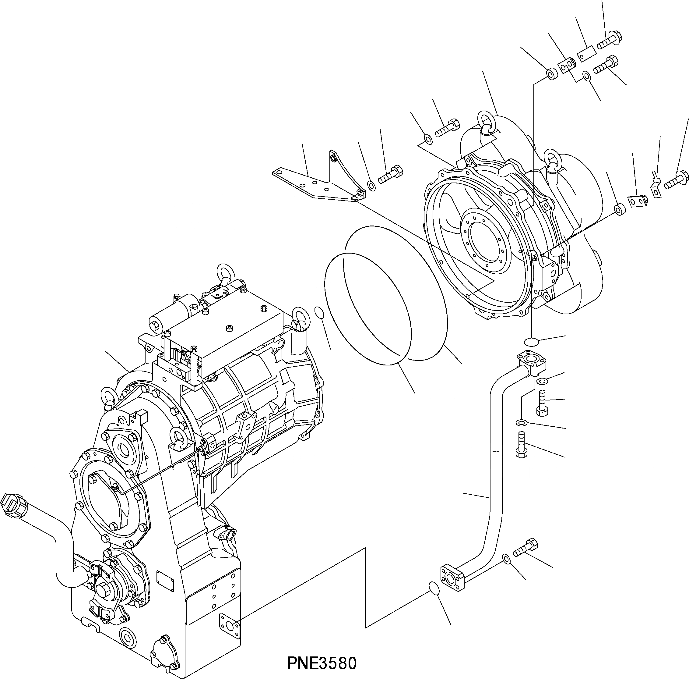
Запчасти Komatsu WA500-3H ГТР (T/M И CONVERTER) F ТРАНСМИССИЯ

Схема запчастей Komatsu WA500-3H - ГТР (T/M И CONVERTER) F ТРАНСМИССИЯ
11
10
14
9
2
6
7
8
13
8
7
12
8
15
14
9
17
1
3
20
5
18
4
20
19
16
22
23
21
FIT
1:1
100%

Артикул

Название

Примечание

Количество

1

425-15-21003

TRANSMISSION

SN: H20051-UP

1шт.

2

711-53-21001

TORQUE CONVERTER

SN: H20051-UP

1шт.

3

07000-73038

O-RING

SN: H20051-UP

1шт.

4

07000-75485

O-RING

SN: H20051-UP

1шт.

5

07000-73042

O-RING

SN: H20051-UP

1шт.

6

01010-81235

BOLT

SN: H20051-UP

8шт.

7

01010-81250

BOLT

SN: H20051-UP

4шт.

8

01643-31232

WASHER

SN: H20051-UP

12шт.

9

419-43-18190

SPACER

SN: H20051-UP

2шт.

10

08036-21014

CLIP

SN: H20051-UP

1шт.

11

01435-01016

BOLT

SN: H20051-UP

1шт.

12

08053-01510

CLIP

SN: H20051-UP

1шт.

13

01435-01016

BOLT

SN: H20051-UP

1шт.

14

426-01-11310

BRACKET

SN: H20051-UP

2шт.

15

711-53-21610

PLATE

SN: H20051-UP

1шт.

16

711-53-21560

TUBE

SN: H20051-UP

1шт.

17

07000-73045

O-RING

SN: H20051-UP

1шт.

18

01010-81060

BOLT

SN: H20051-UP

2шт.

19

01010-81070

BOLT

SN: H20051-UP

2шт.

20

01643-31032

WASHER

SN: H20051-UP

4шт.

21

07000-73048

O-RING

SN: H20051-UP

1шт.

22

01010-81040

BOLT

SN: H20051-UP

4шт.

23

01643-31032

WASHER

SN: H20051-UP

4шт.

Выбрано товаров: 23