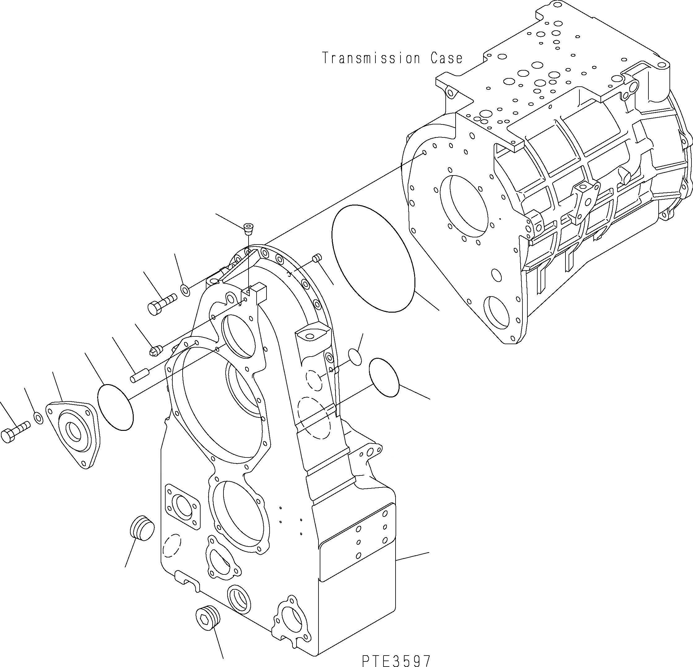
Запчасти Komatsu WA500-3H ТРАНСМИССИЯ (КОРПУС) F ТРАНСМИССИЯ

Схема запчастей Komatsu WA500-3H - ТРАНСМИССИЯ (КОРПУС) F ТРАНСМИССИЯ
9
8
7
2
9
5
3
6
12
11
14
13
4
1
10
10
FIT
1:1
100%

Артикул

Название

Примечание

Количество

1

425-15-23111

CASE

SN: H20051-UP

1шт.

2

711-21-13850

NOZZLE

SN: H20051-UP

1шт.

3

07000-75295

O-RING

SN: H20051-UP

1шт.

4

07000-72110

O-RING

SN: H20051-UP

1шт.

5

07000-73050

O-RING

SN: H20051-UP

1шт.

6

04020-01638

PIN

SN: H20051-UP

1шт.

7

01010-81235

BOLT

SN: H20051-UP

8шт.

8

01643-31232

WASHER

SN: H20051-UP

8шт.

9

07043-70108

PLUG

SN: H20051-UP

2шт.

10

07043-72026

PLUG

SN: H20051-UP

2шт.

11

421-15-13810

COVER

SN: H20051-UP

1шт.

12

07000-72130

O-RING

SN: H20051-UP

1шт.

13

01010-81235

BOLT

SN: H20051-UP

3шт.

14

01643-31232

WASHER

SN: H20051-UP

3шт.

Выбрано товаров: 14