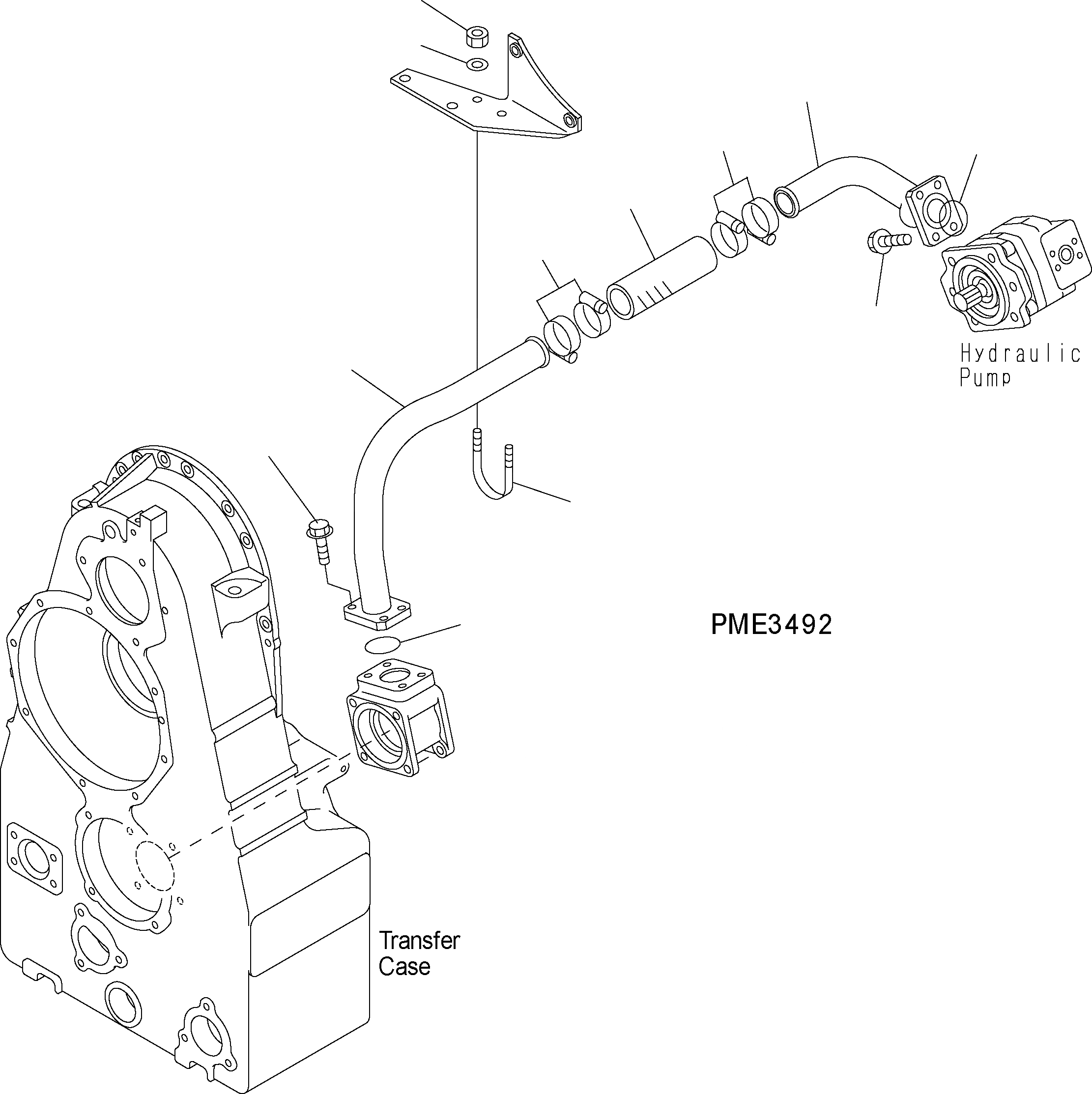
Запчасти Komatsu WA500-3H T/C И T/M ЛИНИЯ (ВСАСЫВ. ТРУБЫ) F ТРАНСМИССИЯ

Схема запчастей Komatsu WA500-3H - T/C И T/M ЛИНИЯ (ВСАСЫВ. ТРУБЫ) F ТРАНСМИССИЯ
6
5
9
10
8
7
8
11
3
2
4
1
FIT
1:1
100%

Артикул

Название

Примечание

Количество

1

07000-A2060

O-RING

SN: H20051-UP

1шт.

2

01435-01235

BOLT

SN: H20051-UP

4шт.

3

425-16-21110

TUBE

SN: H20051-UP

1шт.

4

07283-34957

CLIP

SN: H20051-UP

1шт.

5

01643-31032

WASHER

SN: H20051-UP

2шт.

6

01597-01009

NUT

SN: H20051-UP

2шт.

7

07260-04720

HOSE

SN: H20051-UP

1шт.

8

07281-00709

CLAMP

SN: H20051-UP

4шт.

9

425-16-21122

TUBE

SN: H20051-UP

1шт.

10

07000-A2060

O-RING

SN: H20051-UP

1шт.

11

01435-01235

BOLT

SN: H20051-UP

4шт.

Выбрано товаров: 0