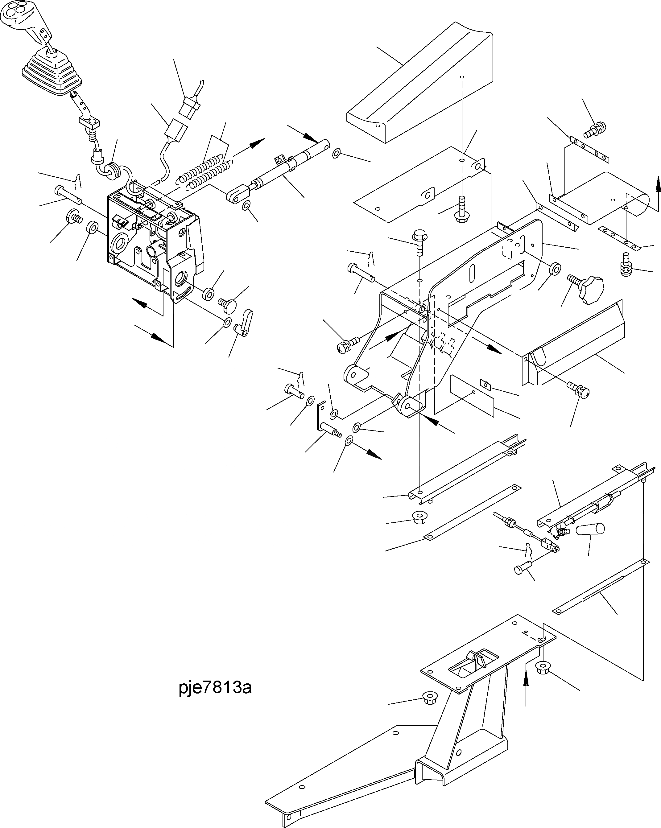
Запчасти Komatsu WA500-3H OP. СИДЕНЬЕ (УПРАВЛ-Е ДЖОЙСТИКОМ - ПОДЛОКОТНИК) K OPERATORґS ОБСТАНОВКА И СИСТЕМА УПРАВЛЕНИЯ

Схема запчастей Komatsu WA500-3H - OP. СИДЕНЬЕ (УПРАВЛ-Е ДЖОЙСТИКОМ - ПОДЛОКОТНИК) K OPERATORґS ОБСТАНОВКА И СИСТЕМА УПРАВЛЕНИЯ
19
20
4
44
17
43
16
7
5
42
18
2
3
15
34
1
8
23
2
3
9
41
40
41
40
13
12
6
14
36
35
36
39
28
10
38
11
36
36
29
37
22
36
21
24
32
26
25
33
27
30
30
a
a
b
b
c
c
d
d
e
e
FIT
1:1
100%

Артикул

Название

Примечание

Количество

1

427-S33-1380

LOCK

SN: H20051-UP

1шт.

2

01640-21016

WASHER

SN: H20051-UP

2шт.

3

04052-11038

PIN, SNAP

SN: H20051-UP

2шт.

4

428-S33-2310

REST

SN: H20051-UP

1шт.

5

428-S33-2180

BRACKET

SN: H20051-UP

1шт.

6

428-S33-2420

PIN

SN: H20051-UP

1шт.

7

418-43-18240

SPRING

SN: H20051-UP

2шт.

8

01435-00816

BOLT

SN: H20051-UP

4шт.

9

425-S33-2123

BRACKET

SN: H20051-UP

1шт.

10

426-S33-2280

PLATE

SN: H20051-UP

1шт.

11

426-S33-2290

RUBBER

SN: H20051-UP

1шт.

12

01023-70616

SCREW

SN: H20051-UP

1шт.

13

428-S33-2150

SPACER

SN: H20051-UP

2шт.

14

428-S33-2140

KNOB

SN: H20051-UP

2шт.

15

428-S33-2470

PLATE

SN: H20051-UP

1шт.

16

428-S33-2230

PLATE

SN: H20051-UP

1шт.

17

01023-20616

SCREW

SN: H20051-UP

2шт.

18

428-S33-2240

RUBBER

SN: H20051-UP

1шт.

19

428-S33-2230

PLATE

SN: H20051-UP

1шт.

20

01023-20612

SCREW

SN: H20051-UP

2шт.

21

428-S33-2270

ADJUSTER

SN: H20051-UP

1шт.

22

428-S33-2260

ADJUSTER

SN: H20051-UP

1шт.

23

01435-00816

BOLT

SN: H20051-UP

4шт.

24

01584-00806

NUT

SN: H20051-UP

6шт.

25

417-09-12120

KNOB

SN: H20051-UP

1шт.

26

428-S33-2380

PLATE

SN: H20051-UP

1шт.

27

425-S33-2141

PLATE

SN: H20051-UP

1шт.

28

428-S33-2280

COVER

SN: H20051-UP

1шт.

29

01023-20612

SCREW

SN: H20051-UP

2шт.

30

01584-00806

NUT

SN: H20051-UP

4шт.

32

04052-10633

PIN, SNAP

SN: H20051-UP

1шт.

33

04205-10616

PIN

SN: H20051-UP

1шт.

34

04205-31042

PIN

SN: H20051-UP

1шт.

35

04050-12015

PIN, COTTER

SN: H20051-UP

1шт.

36

01643-30823

WASHER

SN: H20051-UP

5шт.

37

425-S33-2161

LEVER

SN: H20051-UP

1шт.

38

04205-10822

PIN

SN: H20051-UP

1шт.

39

425-S33-2181

LEVER

SN: H20051-UP

1шт.

40

22T-43-12180

SPACER

SN: H20051-UP

2шт.

41

22T-43-12190

BOLT

SN: H20051-UP

2шт.

42

135-06-34260

GROMMET

SN: H20051-UP

1шт.

43

08056-10811

CONNECTOR

SN: H20051-UP

1шт.

44

08056-10830

CONNECTOR

SN: H20051-UP

1шт.

Выбрано товаров: 43