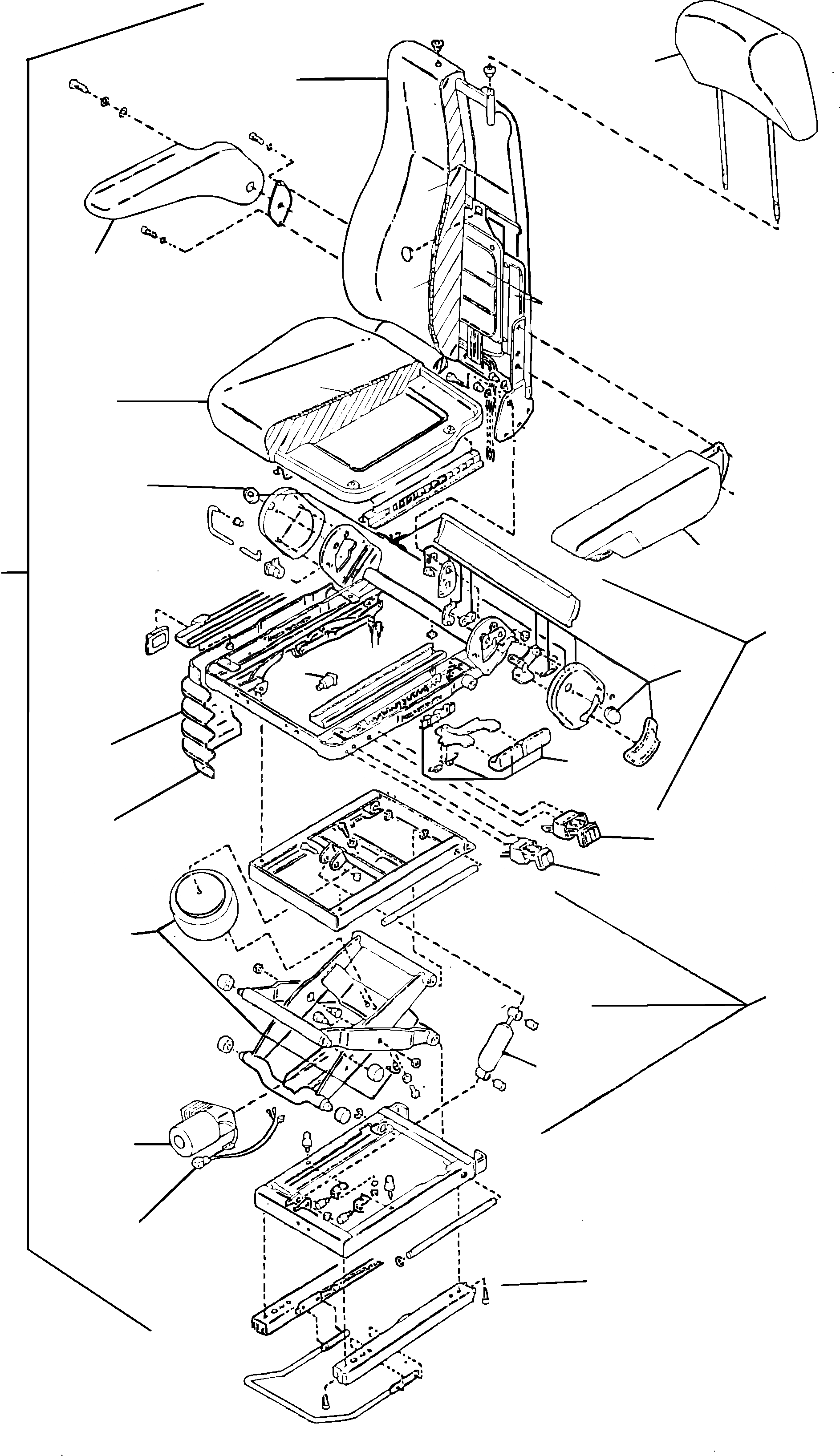
Запчасти Komatsu WA500-3H OP. СИДЕНЬЕ (DELUXE ВОЗД. SUSP. - ВНУТР. ЧАСТИ) K OPERATORґS ОБСТАНОВКА И СИСТЕМА УПРАВЛЕНИЯ

Схема запчастей Komatsu WA500-3H - OP. СИДЕНЬЕ (DELUXE ВОЗД. SUSP. - ВНУТР. ЧАСТИ) K OPERATORґS ОБСТАНОВКА И СИСТЕМА УПРАВЛЕНИЯ
2
3
4
24
5
7
6
9
23
8
11
14
15
10
16
13
12
18
17
21
20
19
22
1
FIT
1:1
100%

Артикул

Название

Примечание

Количество

1

421-57-31110

SEAT

SN: H20051-UP

1шт.

2

421-57-31610

HEAD REST

SN: H20051-UP

1шт.

3

421-57-31520

BACK REST

SN: H20051-UP

1шт.

4

421-960-HP28

BACK REST COVERING

SN: H20051-UP

1шт.

5

421-960-HP29

AIR CUSHION

SN: H20051-UP

1шт.

6

421-57-31510

SEAT CUSHION

SN: H20051-UP

1шт.

7

421-960-HP26

SEAT COVERING

SN: H20051-UP

1шт.

8

421-57-31550

BOTTOM PART

SN: H20051-UP

1шт.

9

419-960-HP23

COVER

SN: H20051-UP

1шт.

10

419-960-HP25

OPERATING ASSEMBLY

SN: H20051-UP

1шт.

11

421-960-HP24

NOTCHED PLATE

SN: H20051-UP

1шт.

12

421-57-H0P94

SWITCH

SN: H20051-UP

1шт.

13

421-57-H0P93

SWITCH

SN: H20051-UP

1шт.

14

421-57-H0P92

SWITCH

SN: H20051-UP

1шт.

15

421-57-31570

BELLOWS

SN: H20051-UP

1шт.

16

421-57-31580

RIVET

SN: H20051-UP

1шт.

17

421-57-31560

SUB ASSEMBLY

SN: H20051-UP

1шт.

18

423-57-H0P41

SPRING

SN: H20051-UP

1шт.

19

423-57-H0P34

RELAY

SN: H20051-UP

1шт.

20

421-960-HP17

COMPRESSOR

SN: H20051-UP

1шт.

21

421-960-HP21

SHOCK ABSORBER

SN: H20051-UP

1шт.

22

421-57-31590

SEAT SLIDE

SN: H20051-UP

1шт.

23

421-57-31541

ARM REST LHS

SN: H20051-UP

1шт.

24

421-57-31530

ARM REST

SN: H20051-UP

1шт.

Выбрано товаров: 24