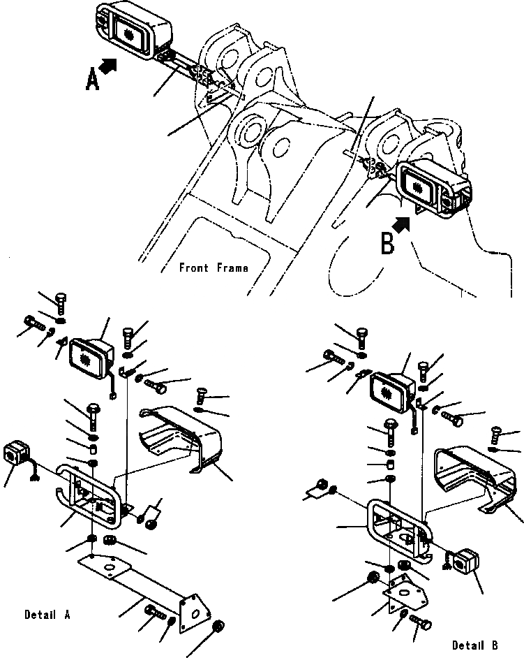
Запчасти Komatsu WA500-3L E-A ЭЛЕКТРИКА ПЕРЕДН. ОСВЕЩЕНИЕS И СУППОРТS ЭЛЕКТРИКА

Схема запчастей Komatsu WA500-3L - E-A ЭЛЕКТРИКА ПЕРЕДН. ОСВЕЩЕНИЕS И СУППОРТS ЭЛЕКТРИКА
31
1
31
15
1
13
14
21
13
8
14
9
21
8
22
23
23
9
11
22
22
23
19
27
23
7
22
18
28
19
27
18
28
16
15
16
24
26
24
24
5
25
10
17
17
20
20
24
4
29
30
2
3
3
2
4
12
6
FIT
1:1
100%

Артикул

Название

Примечание

Количество

1

421-06-22360

HARNESS, FRONT LAMP

SN: A70001 --UP

2шт.

2

01010-81225

BOLT

SN: A70001 --UP

8шт.

3

01643-31232

WASHER

SN: A70001 --UP

8шт.

4

08037-03614

GROMMET

SN: A70001 --UP

4шт.

5

421-06-23522

BRACKET, L.H.

SN: A70001 --UP

1шт.

6

421-06-23552

PLATE

SN: A70001 --UP

1шт.

7

421-06-23630

PLATE, L.H.

SN: A70001 --UP

1шт.

8

01010-81025

BOLT

SN: A70001 --UP

2шт.

9

01643-31032

WASHER

SN: A70001 --UP

2шт.

10

421-06-23532

BRACKET, R.H.

SN: A70001 --UP

1шт.

11

421-06-23552

PLATE

SN: A70001 --UP

1шт.

12

421-06-23640

PLATE, R.H.

SN: A70001 --UP

1шт.

13

01010-81025

BOLT

SN: A70001 --UP

2шт.

14

01643-31032

WASHER

SN: A70001 --UP

2шт.

15

417-54-13470

SPACER

SN: A70001 --UP

6шт.

16

419-43-17930

CUSHION

SN: A70001 --UP

6шт.

17

415-64-13130

CUSHION

SN: A70001 --UP

6шт.

18

419-43-17920

WASHER

SN: A70001 --UP

6шт.

19

01435-01250

BOLT

SN: A70001 --UP

6шт.

20

08037-03614

GROMMET

SN: A70001 --UP

2шт.

21

424-06-23210

LIGHT ASSEMBLY, HEAD

SN: A70001 --UP

2шт.

|$21

424-06-23230

BULB, 70/75W

SN: A70001 --UP

1шт.

|$22

424-06-23220

LENS

SN: A70001 --UP

1шт.

22

01010-80825

BOLT

SN: A70001 --UP

2шт.

23

01602-20825

WASHER, LOCK

SN: A70001 --UP

2шт.

24

41G-06-13201

LIGHT ASSEMBLY, FRONT COMBINATION

SN: A70001 --UP

2шт.

|$26

41G-06-13210

LENS, FRONT

SN: A70001 --UP

1шт.

|$27

41G-06-13230

BULB, 5W

SN: A70001 --UP

1шт.

|$28

08105-12420

BULB, 25W

SN: A70001 --UP

1шт.

|$29

41G-06-13220

LENS, REAR

SN: A70001 --UP

1шт.

|$30

01220-40425

SCREW

SN: A70001 --UP

4шт.

25

421-06-23611

COVER, L.H.

SN: A70001 --UP

1шт.

26

421-06-23621

COVER, R.H.

SN: A70001 --UP

1шт.

27

01220-40616

SCREW

SN: A70001 --UP

10шт.

28

01643-30623

WASHER

SN: A70001 --UP

10шт.

29

425-06-23111

SUPPORT, L.H.

SN: A70001 --UP

1шт.

30

425-06-23121

SUPPORT, R.H.

SN: A70001 --UP

1шт.

31

HARNESS, FRONT LAMP (SEE FIG. E0200-01A0 )

SN: A70001 --UP

-1шт.

Выбрано товаров: 38