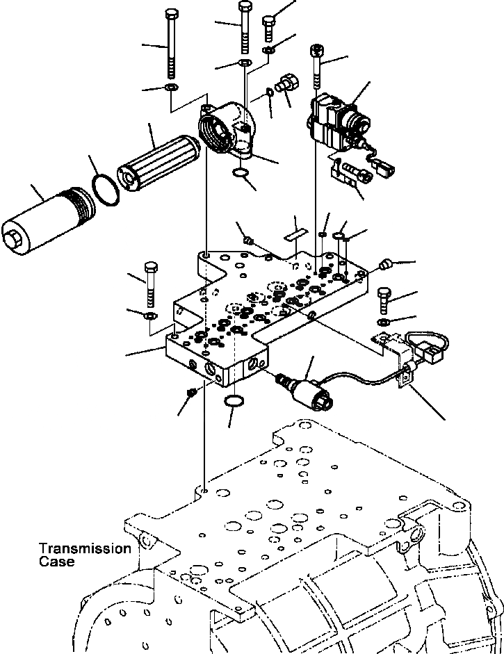
Запчасти Komatsu WA500-3L F-A ТРАНСМИССИЯ ASSEMBLY УПРАВЛЯЮЩ. КЛАПАН ASSEMBLY СИЛОВАЯ ПЕРЕДАЧА И КОНЕЧНАЯ ПЕРЕДАЧА

Схема запчастей Komatsu WA500-3L - F-A ТРАНСМИССИЯ ASSEMBLY УПРАВЛЯЮЩ. КЛАПАН ASSEMBLY СИЛОВАЯ ПЕРЕДАЧА И КОНЕЧНАЯ ПЕРЕДАЧА
18
20
19
25
10
21
5
26
13
15
16
14
12
12
17
8
22
6
3
9
4
23
27
24
28
11
1
2
30
29
7
FIT
1:1
100%

Артикул

Название

Примечание

Количество

|$0

TRANSMISSION ASSEMBLY (SEE FIG. F4320-51A0 )

SN: A70001 --UP

-1шт.

|$1

425-15-25001

VALVE ASSEMBLY, TRANSMISSION CONTROL

SN: A70001 --UP

1шт.

1

425-15-25130

SEAT

SN: A70001 --UP

1шт.

2

07043-00108

PLUG

SN: A70001 --UP

2шт.

3

07043-00211

PLUG

SN: A70001 --UP

7шт.

4

07043-00312

PLUG

SN: A70001 --UP

2шт.

|$6

711-85-16100

EMCV ASSEMBLY

SN: A70001 --UP

6шт.

5

711-85-16110

EMCV GROUP

SN: A70001 --UP

1шт.

6

21J-15-15891

BRACKET

SN: A70001 --UP

1шт.

7

07000-72015

O-RING

SN: A70001 --UP

12шт.

8

07000-71009

O-RING

SN: A70001 --UP

6шт.

9

07000-71006

O-RING

SN: A70001 --UP

6шт.

10

01252-40650

BOLT

SN: A70001 --UP

24шт.

11

20Y-60-11713

VALVE, SOLENOID

SN: A70001 --UP

1шт.

12

712-85-11721

FILTER ASSEMBLY

SN: A70001 --UP

1шт.

13

712-85-11731

ELEMENT ASSEMBLY

SN: A70001 --UP

1шт.

14

07000-02060

O-RING

SN: A70001 --UP

1шт.

15

07040-11812

PLUG

SN: A70001 --UP

1шт.

16

07002-11823

O-RING

SN: A70001 --UP

1шт.

17

07000-73022

O-RING

SN: A70001 --UP

2шт.

18

01010-81030

BOLT

SN: A70001 --UP

1шт.

19

01643-31032

WASHER

SN: A70001 --UP

1шт.

20

01010-81080

BOLT

SN: A70001 --UP

1шт.

21

01643-31032

WASHER

SN: A70001 --UP

1шт.

22

700-11-31980

PLATE, NAME

SN: A70001 --UP

1шт.

23

01010-81060

BOLT

SN: A70001 --UP

7шт.

24

01643-31032

WASHER

SN: A70001 --UP

7шт.

25

01010-81020

BOLT

SN: A70001 --UP

1шт.

26

01643-31032

WASHER

SN: A70001 --UP

1шт.

27

01010-81065

BOLT

SN: A70001 --UP

1шт.

28

01643-31032

WASHER

SN: A70001 --UP

1шт.

29

07000-73035

O-RING

SN: A70001 --UP

5шт.

30

BRACKET (SEE FIG. F4320-63A0 )

SN: A70001 --UP

-1шт.

|$33

33

-1шт.

|$34

F2 - INCLUDED IN SERVICE KIT 425-15-05412.

35

-1шт.

|$35

F2 - INCLUDED IN SERVICE KIT 425-15-05412.

35

-1шт.

Выбрано товаров: 0