Запчасти Komatsu WA500-3L F7-A ГИДРОТРАНСФОРМАТОР И ТРАНСМИССИЯ ТРУБЫ МАСЛ. ФИЛЬТР И КРЕПЛЕНИЕ СИЛОВАЯ ПЕРЕДАЧА И КОНЕЧНАЯ ПЕРЕДАЧА

Схема запчастей Komatsu WA500-3L - F7-A ГИДРОТРАНСФОРМАТОР И ТРАНСМИССИЯ ТРУБЫ МАСЛ. ФИЛЬТР И КРЕПЛЕНИЕ СИЛОВАЯ ПЕРЕДАЧА И КОНЕЧНАЯ ПЕРЕДАЧА
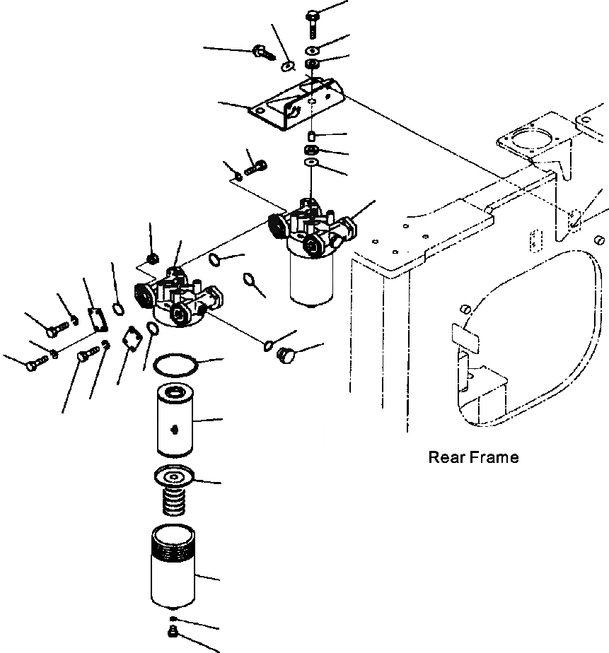
19
24
20
18
21
17
23
13
15
22
20
2
16
2
10
10
12
15
13
10
9
15
8
14
10
11
15
1
13
3
4
6
5
7
FIT
1:1
100%

Артикул

Название

Примечание

Количество

|$0

425-16-21230

FILTER ASSEMBLY, TRANSMISSION OIL

SN: A70001 --UP

1шт.

1

424-16-11140

ELEMENT, TRANSMISSION OIL FILTER

SN: A70001 --UP

2шт.

2

425-16-21240

COVER, HEAD

SN: A70001 --UP

2шт.

3

425-16-21250

RETAINER ASSEMBLY

SN: A70001 --UP

2шт.

4

425-16-21260

CASE

SN: A70001 --UP

2шт.

5

425-16-21270

PLUG, DRAIN

SN: A70001 --UP

2шт.

6

07000-02014

O-RING

SN: A70001 --UP

2шт.

7

07000-02125

O-RING

SN: A70001 --UP

2шт.

8

425-16-11240

PLUG

SN: A70001 --UP

2шт.

9

07002-13334

O-RING

SN: A70001 --UP

2шт.

10

07000-13035

O-RING

SN: A70001 --UP

2шт.

11

425-16-11260

PLATE

SN: A70001 --UP

1шт.

12

425-16-11270

PLATE

SN: A70001 --UP

1шт.

13

01010-81040

BOLT

SN: A70001 --UP

9шт.

14

01010-81025

BOLT

SN: A70001 --UP

5шт.

15

01602-21030

WASHER, LOCK

SN: A70001 --UP

14шт.

16

01580-11008

NUT

SN: A70001 --UP

3шт.

17

425-16-21210

BRACKET, FILTER MOUNT

SN: A70001 --UP

1шт.

18

01435-01225

BOLT

SN: A70001 --UP

4шт.

19

01435-01045

BOLT

SN: A70001 --UP

4шт.

20

415-64-13120

WASHER

SN: A70001 --UP

8шт.

21

415-64-13130

CUSHION

SN: A70001 --UP

4шт.

22

419-43-17930

CUSHION

SN: A70001 --UP

4шт.

23

417-62-14130

SPACER

SN: A70001 --UP

4шт.

24

01643-31232

WASHER

SN: A70001 --UP

4шт.

Выбрано товаров: 25