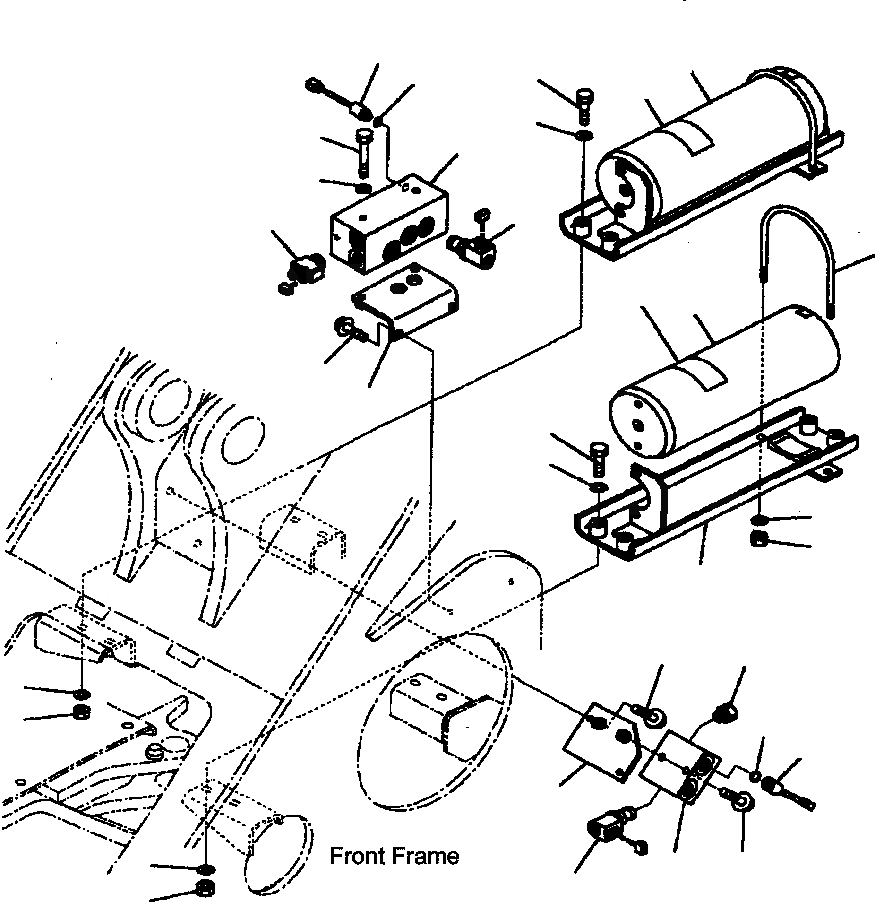
Запчасти Komatsu WA500-3L H-A ГИДРОЛИНИЯ ECSS АККУМУЛЯТОР СОЛЕНОИДНЫЙ КЛАПАН И КРЕПЛЕНИЕ ГИДРАВЛИКА

Схема запчастей Komatsu WA500-3L - H-A ГИДРОЛИНИЯ ECSS АККУМУЛЯТОР СОЛЕНОИДНЫЙ КЛАПАН И КРЕПЛЕНИЕ ГИДРАВЛИКА
24
2
23
7
25
8
13
10
14
11
12
4
25
1
16
15
7
8
6
5
3
21
19
8
23
9
24
20
8
22
17
18
9
FIT
1:1
100%

Артикул

Название

Примечание

Количество

1

ACCUMULATOR, HIGH PRESSURE (SEE FIG. H4200-15A2 )

SN: A70001 --UP

-1шт.

2

ACCUMULATOR, LOW PRESSURE (SEE FIG. H4200-16A2 )

SN: A70001 --UP

-1шт.

3

425-S99-1110

BRACKET

SN: A70001 --UP

2шт.

4

421-S99-1351

U-BOLT

SN: A70001 --UP

2шт.

5

01596-01211

NUT

SN: A70001 --UP

4шт.

6

01643-31232

WASHER

SN: A70001 --UP

4шт.

7

01010-81270

BOLT

SN: A70001 --UP

8шт.

8

01643-31232

WASHER

SN: A70001 --UP

16шт.

9

01580-11210

NUT

SN: A70001 --UP

8шт.

10

421-S99-2480

VALVE, ACCUMULATOR SOLENOID

SN: A70001 --UP

1шт.

11

421-S99-1480

SOLENOID ASSEMBLY

SN: A70001 --UP

3шт.

|$11

421-S99-1910

O-RING

SN: A70001 --UP

3шт.

|$12

421-S99-1920

RING, BACK-UP

SN: A70001 --UP

3шт.

|$13

421-S99-1940

SOLENOID

SN: A70001 --UP

3шт.

|$14

421-S99-1950

VALVE

SN: A70001 --UP

3шт.

|$15

421-S99-1960

NUT

SN: A70001 --UP

3шт.

12

421-S99-2460

VALVE, SOLENOID

SN: A70001 --UP

1шт.

13

01011-81230

BOLT

SN: A70001 --UP

2шт.

14

01643-31232

WASHER

SN: A70001 --UP

2шт.

15

421-S99-1390

BRACKET

SN: A70001 --UP

1шт.

16

01435-01225

BOLT

SN: A70001 --UP

2шт.

17

425-S99-2111

VALVE, ASSEMBLY

SN: A70001 --UP

1шт.

18

421-S99-1480

SOLENOID, ASSEMBLY

SN: A70001 --UP

1шт.

|$23

421-S99-1910

O-RING

SN: A70001 --UP

1шт.

|$24

421-S99-1920

O-RING

SN: A70001 --UP

1шт.

|$25

421-S99-1930

RING, BACK-UP

SN: A70001 --UP

1шт.

|$26

421-S99-1940

SOLENOID

SN: A70001 --UP

1шт.

|$27

421-S99-1950

VALVE

SN: A70001 --UP

1шт.

|$28

421-S99-1960

NUT

SN: A70001 --UP

1шт.

19

425-S99-2220

VALVE

SN: A70001 --UP

1шт.

20

425-S99-2121

PLATE, CHECK

SN: A70001 --UP

1шт.

21

01435-01225

BOLT

SN: A70001 --UP

2шт.

22

01435-01290

BOLT

SN: A70001 --UP

2шт.

23

07002-11423

O-RING

SN: A70001 --UP

2шт.

24

425-S99-2281

SWITCH, PRESSURE (ACCUMULATOR SOLENOID VALVE)

SN: A70001 --UP

2шт.

25

09659-52000

PLATE, WARNING

SN: A70001 --UP

2шт.

Выбрано товаров: 36