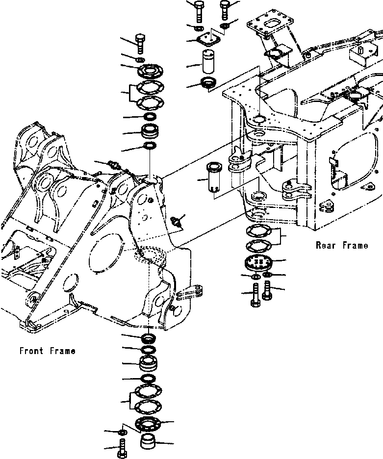
Запчасти Komatsu WA500-3L J-A ЦЕНТР. HINGE ПАЛЕЦS ДЛЯ ПЕРЕДН. И ЗАДН. РАМА СОЕДИНЕНИЕ ОСНОВНАЯ РАМА И ЕЕ ЧАСТИ

Схема запчастей Komatsu WA500-3L - J-A ЦЕНТР. HINGE ПАЛЕЦS ДЛЯ ПЕРЕДН. И ЗАДН. РАМА СОЕДИНЕНИЕ ОСНОВНАЯ РАМА И ЕЕ ЧАСТИ
26
28
29
4
25
5
1
24
2
3
18
17
18
19
30
27
16
11
10
13
15
14
12
21
23
20
23
7
6
9
22
8
FIT
1:1
100%

Артикул

Название

Примечание

Количество

1

425-46-11240

RETAINER

SN: A70001 --UP

1шт.

2

425-46-11230

BUSHING

SN: A70001 --UP

1шт.

3

425-46-11251

SHIM, 0.1 MM

SN: A70001 --UP

8шт.

|$3

425-46-11261

SHIM, 0.5 MM

SN: A70001 --UP

8шт.

4

01010-61445

BOLT

SN: A70001 --UP

6шт.

5

01643-31445

WASHER

SN: A70001 --UP

6шт.

6

425-46-11460

RETAINER

SN: A70001 --UP

1шт.

7

425-46-11471

SHIM, 0.1 MM

SN: A70001 --UP

8шт.

|$8

425-46-11481

SHIM, 0.5 MM

SN: A70001 --UP

8шт.

8

01010-61445

BOLT

SN: A70001 --UP

10шт.

9

01643-31445

WASHER

SN: A70001 --UP

10шт.

10

425-46-11520

RETAINER

SN: A70001 --UP

1шт.

11

425-46-11531

SHIM, 0.1 MM

SN: A70001 --UP

10шт.

|$13

425-46-11541

SHIM, 0.5 MM

SN: A70001 --UP

16шт.

12

01010-61895

BOLT

SN: A70001 --UP

4шт.

13

01643-31845

WASHER

SN: A70001 --UP

4шт.

14

01010-61650

BOLT

SN: A70001 --UP

6шт.

15

01643-31645

WASHER

SN: A70001 --UP

6шт.

16

07020-00000

FITTING, GREASE

SN: A70001 --UP

1шт.

17

425-46-11310

BEARING

SN: A70001 --UP

1шт.

18

425-46-11280

SEAL, DUST

SN: A70001 --UP

2шт.

19

07020-00000

FITTING, GREASE

SN: A70001 --UP

1шт.

20

426-46-11310

BEARING

SN: A70001 --UP

1шт.

21

425-46-11421

BUSHING

SN: A70001 --UP

1шт.

22

425-46-11431

BUSHING

SN: A70001 --UP

1шт.

23

421-09-11350

SEAL, DUST

SN: A70001 --UP

2шт.

24

425-46-11220

PIN, UPPER HINGE

SN: A70001 --UP

1шт.

25

425-46-11210

PLATE

SN: A70001 --UP

1шт.

26

01010-61450

BOLT

SN: A70001 --UP

2шт.

27

01643-31445

WASHER

SN: A70001 --UP

2шт.

28

01010-61465

BOLT

SN: A70001 --UP

4шт.

29

01643-31445

WASHER

SN: A70001 --UP

4шт.

30

425-46-11411

PIN, LOWER HINGE

SN: A70001 --UP

1шт.

Выбрано товаров: 33