Качественные детали и логистика
Оригинальные и аналоговые запчасти с доставкой по России, Казахстану и Беларуси
©2022 PartSell ООО "Система" ИНН 2463123282 ОГРН 1212400004838
Центральный офис: г. Красноярск, Академика Киренского, д.87, пом.4
Телефон: 8 (800) 777-65-74 Email: zakaz@partsell.ru
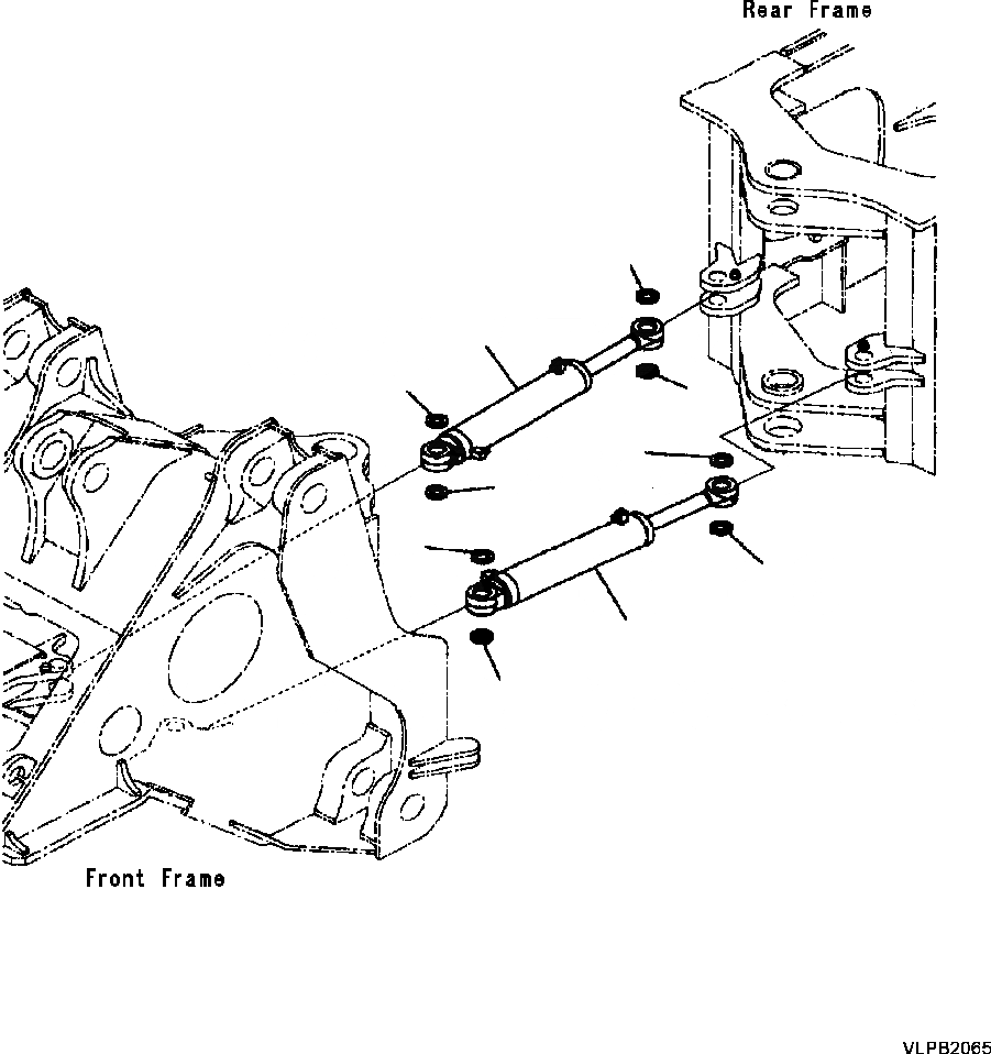
J-A ЦИЛИНДР РУЛЕВ. УПР-Я И УПЛОТНЕНИЕ
№
Артикул
Название
Примечание
Количество
1
CYLINDER, L.H. STEERING (SEE FIG H5000- 03A0 )
-1шт.
2
CYLINDER, R.H. STEERING (SEE FIG H5000- 03A0 )
SN: A70001 --UP
3
416-09-11120
SEAL, DUST
8шт.
Выбрано товаров: 0