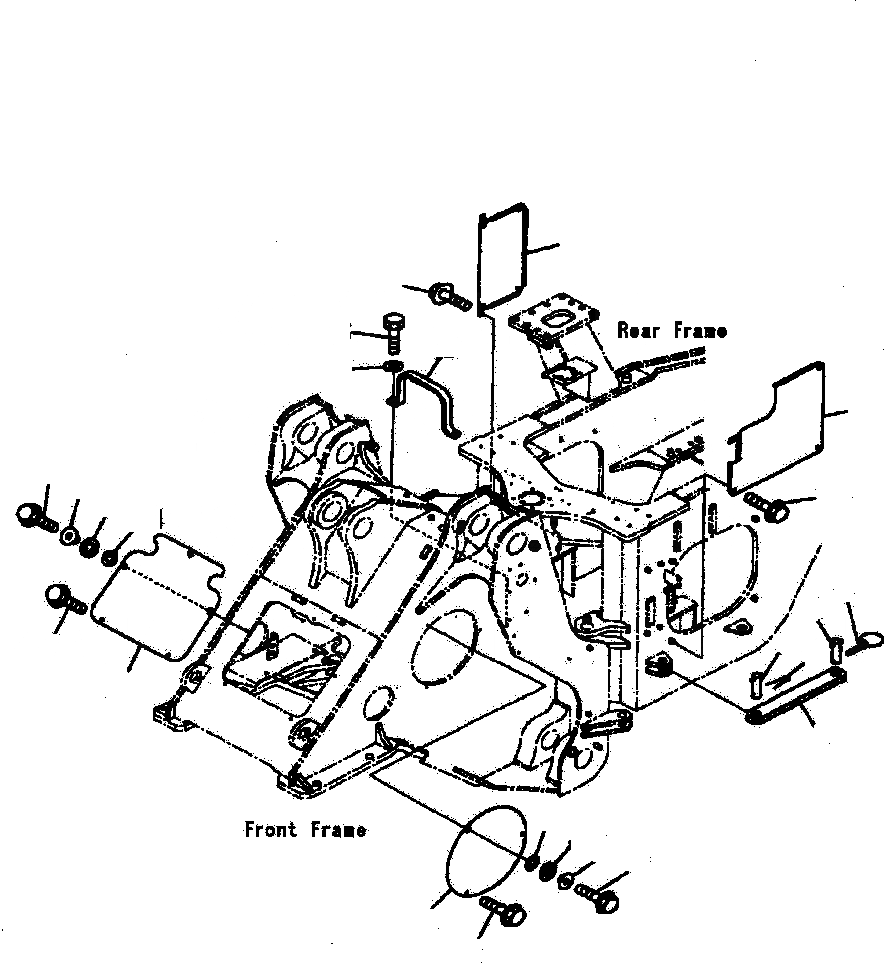
Запчасти Komatsu WA500-3L J9-A РАМА БЛОКИР. И ACCESS КРЫШКИ ПЕРЕДН. И ЗАДН. РАМАS (С АВТОМАТИЧ.-СМАЗ.) ОСНОВНАЯ РАМА И ЕЕ ЧАСТИ

Схема запчастей Komatsu WA500-3L - J9-A РАМА БЛОКИР. И ACCESS КРЫШКИ ПЕРЕДН. И ЗАДН. РАМАS (С АВТОМАТИЧ.-СМАЗ.) ОСНОВНАЯ РАМА И ЕЕ ЧАСТИ
18
7
17
11
18
10
13
4
2
2
3
14
1
11
10
9
15
6
5
12
16
9
8
8
FIT
1:1
100%

Артикул

Название

Примечание

Количество

1

425-46-24110

BAR, SAFETY - FRAME LOCK

SN: A70001 --UP

1шт.

2

425-46-12270

PIN

SN: A70001 --UP

2шт.

|$2

04025-01065

PIN, SPRING

SN: A70001 --UP

1шт.

3

04050-10060

PIN, COTTER

SN: A70001 --UP

1шт.

4

421-46-12740

PIN, LINCH

SN: A70001 --UP

1шт.

5

425-46-12280

GUARD

SN: A70001 --UP

1шт.

6

01010-81640

BOLT

SN: A70001 --UP

2шт.

7

01643-31645

WASHER

SN: A70001 --UP

2шт.

8

01435-01225

BOLT

SN: A70001 --UP

6шт.

9

01435-01235

BOLT

SN: A70001 --UP

5шт.

10

415-46-11380

CUSHION

SN: A70001 --UP

5шт.

11

415-46-11370

SPACER

SN: A70001 --UP

5шт.

12

01640-22440

WASHER

SN: A70001 --UP

2шт.

13

01643-22232

WASHER

SN: A70001 --UP

3шт.

14

425-46-11132

COVER, FRONT ACCESS - FRONT FRAME

SN: A70001 --UP

1шт.

15

425-46-11142

COVER, SIDE ACCESS - FRONT FRAME

SN: A70001 --UP

2шт.

16

425-46-24130

COVER, L.H. ACCESS - REAR FRAME

SN: A70001 --UP

1шт.

17

425-S95-3840

COVER, R.H. ACCESS - REAR FRAME

SN: A70001 --UP

1шт.

18

01435-01220

BOLT

SN: A70001 --UP

8шт.

Выбрано товаров: 19