Качественные детали и логистика
Оригинальные и аналоговые запчасти с доставкой по России, Казахстану и Беларуси
©2022 PartSell ООО "Система" ИНН 2463123282 ОГРН 1212400004838
Центральный офис: г. Красноярск, Академика Киренского, д.87, пом.4
Телефон: 8 (800) 777-65-74 Email: zakaz@partsell.ru
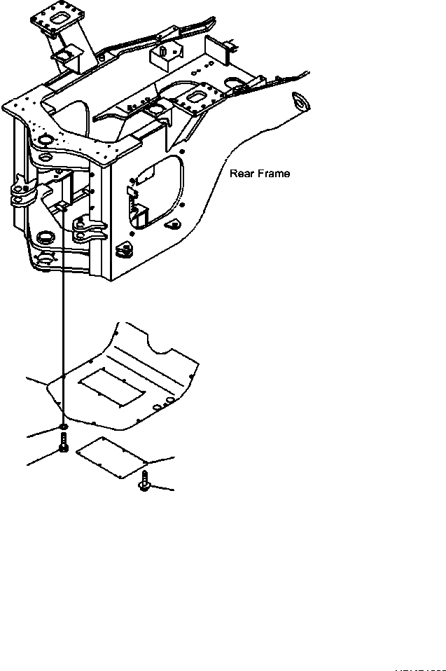
J9-A НИЖН. ЗАЩИТА
№
Артикул
Название
Примечание
Количество
1
425-97-12110
GUARD
SN: A70001 --UP
1шт.
2
01010-81645
BOLT
8шт.
3
01643-31645
WASHER
4
425-97-12120
PLATE
5
01435-01225
6шт.
Выбрано товаров: 0