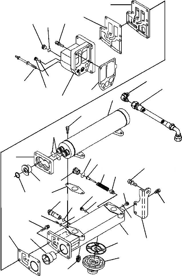
Запчасти Komatsu WA500-3L A-AA СИСТЕМА СМАЗКИ МАСЛООХЛАДИТЕЛЬ ДВИГАТЕЛЬ

Схема запчастей Komatsu WA500-3L - A-AA СИСТЕМА СМАЗКИ МАСЛООХЛАДИТЕЛЬ ДВИГАТЕЛЬ
17
22
2
14
15
11
4
7
3
6
12
37
28
18
9
31
21
30
5
25
24
32
20
12
19
12
29
33
11
34
1
16
35
13
11
26
36
27
8
23
38
10
FIT
1:1
100%

Артикул

Название

Примечание

Количество

1

1239 115 H1

BOLT

2шт.

2

6216-64-3960

BOLT

2шт.

3

1241 474 H1

HOSE, FLEXIBLE

1шт.

4

1246 526 H1

ELBOW, MALE UNION

1шт.

5

1307 367 H1

BOLT

1шт.

6

1307 277 H1

GASKET, OIL COOLER SUPPORT

1шт.

7

1307 368 H1

BOLT

4шт.

8

1307 369 H1

BRACKET, OIL COOLER

1шт.

|$8

1307 370 H91

COOLER ASSEMBLY, LUBRICATING OIL

1шт.

9

1304 982 H1

SEAL, O-RING

2шт.

10

1238 773 H1

ADAPTER, FILTER HEAD

1шт.

|$11

6560-41-4100

PLUG, THREADED

5шт.

11

6560-51-7710

SEAL, O-RING

1шт.

12

NSS

PLUG, THREADED

5шт.

13

1241 342 H1

BOLT

10шт.

|$15

1246 131 H91

PLUG, THREADED

1шт.

14

NSS

PLUG, THREADED

1шт.

15

6735-21-4160

SEAL, O-RING

1шт.

16

1307 371 H1

BOLT

1шт.

17

1307 372 H1

SPACER, COOLER SUPPORT

1шт.

18

1307 373 H1

BOLT

4шт.

19

1307 279 H1

SEAL, OIL

2шт.

20

1307 374 H1

ADAPTER, O-RING

1шт.

21

1307 375 H1

RETAINER, CONNECTION

1шт.

22

1307 280 H1

GASKET, OIL COOLER SUPPORT

1шт.

23

1295 148 H2

GASKET, FILTER HEAD

1шт.

24

1307 376 H2

VALVE, BYPASS

1шт.

25

1307 377 H1

SPRING, COMPRESSION

1шт.

26

1307 281 H1

GASKET, OIL TRANSFER CONNECTION

1шт.

27

1307 379 H1

CONNECTION, OIL TRANSFER

1шт.

28

1307 570 H1

SUPPORT, OIL COOLER

1шт.

29

1307 282 H1

SEAL, RECTANGULAR RING

2шт.

30

1307 380 H91

PLUNGER, BYPASS VALVE

1шт.

|$33

1313 105 H91

PLUG, THREADED

1шт.

31

6560-41-8140

SEAL, O-RING

1шт.

32

NSS

PLUG, THREADED

1шт.

33

1307 382 H91

RESISTOR KIT, CORROSION

1шт.

34

1307 384 H1

SEAL O-RING

1шт.

35

1307 385 H1

WASHER, PLAIN

1шт.

36

1294 145 H1

THERMOSTAT

1шт.

37

1307 387 H3

COOLER, OIL

1шт.

38

6742-01-2500

HEAD, LUBRICATING OIL FILTER

1шт.

Выбрано товаров: 42