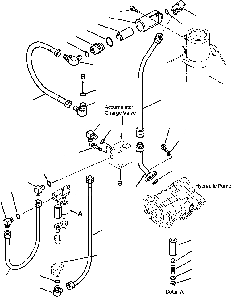
Запчасти Komatsu WA500-3L K-7A УПРАВЛ-Е ТОРМОЗОМ PPC НАСОС - КЛАПАН АККУМУЛЯТОРА OPERATORS ОБСТАНОВКА И СИСТЕМА УПРАВЛЕНИЯ

Схема запчастей Komatsu WA500-3L - K-7A УПРАВЛ-Е ТОРМОЗОМ PPC НАСОС - КЛАПАН АККУМУЛЯТОРА OPERATORS ОБСТАНОВКА И СИСТЕМА УПРАВЛЕНИЯ
12
9
6
10
7
11
8
14
13
34
17
5
15
16
28
3
29
2
33
1
19
18
4
22
21
30
24
25
35
26
27
31
20
23
32
FIT
1:1
100%

Артикул

Название

Примечание

Количество

1

07000-13030

O-RING

SN: A70001 --UP

1шт.

2

01643-50823

WASHER

SN: A70001 --UP

4шт.

3

01010-80830

BOLT

SN: A70001 --UP

4шт.

4

425-43-27172

TUBE

SN: A70001 --UP

1шт.

5

07108-20507

TUBE

SN: A70001 --UP

1шт.

6

07235-10522

ELBOW

SN: A70001 --UP

1шт.

7

07002-12434

O-RING

SN: A70001 --UP

1шт.

8

421-43-22570

CAP

SN: A70001 --UP

1шт.

9

421-43-22560

CASE

SN: A70001 --UP

1шт.

10

421-43-27920

ELEMENT

SN: A70001 --UP

1шт.

11

07002-15234

O-RING

SN: A70001 --UP

1шт.

12

01435-01020

BOLT

SN: A70001 --UP

2шт.

13

195-49-36120

ELBOW

SN: A70001 --UP

1шт.

14

07002-12434

O-RING

SN: A70001 --UP

1шт.

15

07108-20506

HOSE

SN: A70001 --UP

1шт.

16

22X-61-13840

ELBOW

SN: A70001 --UP

1шт.

17

07002-12034

O-RING

SN: A70001 --UP

1шт.

18

20Y-970-1731

ELBOW

SN: A70001 --UP

1шт.

19

07002-11423

O-RING

SN: A70001 --UP

1шт.

20

07108-20305

HOSE

SN: A70001 --UP

1шт.

21

07235-10315

ELBOW

SN: A70001 --UP

1шт.

22

07002-12034

O-RING

SN: A70001 --UP

1шт.

|$22

421-43-22951

VALVE ASSEMBLY, CHECK

SN: A70001 --UP

2шт.

23

04065-01410

RING, SNAP

SN: A70001 --UP

1шт.

24

419-43-27571

BODY, CHECK VALVE

SN: A70001 --UP

1шт.

25

419-43-27580

POPPET

SN: A70001 --UP

1шт.

26

419-43-27590

SPRING

SN: A70001 --UP

1шт.

27

205-60-51420

SEAT

SN: A70001 --UP

1шт.

28

07235-10210

ELBOW

SN: A70001 --UP

1шт.

29

07002-01423

O-RING

SN: A70001 --UP

1шт.

30

07108-20207

HOSE

SN: A70001 --UP

1шт.

31

07002-01423

O-RING

SN: A70001 --UP

1шт.

32

07235-10210

ELBOW

SN: A70001 --UP

1шт.

33

01435-01090

BOLT

SN: A70001 --UP

2шт.

34

ACCUMULATOR (SEE FIG. K4460-08A0 )

SN: A70001 --UP

-1шт.

35

TUBE (SEE FIG. K4460-08A0 )

SN: A70001 --UP

-1шт.

Выбрано товаров: 36