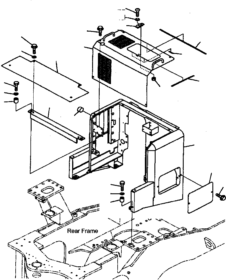
Запчасти Komatsu WA500-3L M-A ОТСЕК ДВИГАТЕЛЯОТСЕК ДВИГАТЕЛЯAND КРЫШКИ ЧАСТИ КОРПУСА

Схема запчастей Komatsu WA500-3L - M-A ОТСЕК ДВИГАТЕЛЯОТСЕК ДВИГАТЕЛЯAND КРЫШКИ ЧАСТИ КОРПУСА
20
12
13
5
9
14
7
11
15
6
22
16
10
18
1
8
19
2
3
4
23
21
17
FIT
1:1
100%

Артикул

Название

Примечание

Количество

1

425-54-21314

BULKHEAD

SN: A70001 --UP

1шт.

2

01011-62005

BOLT

SN: A70001 --UP

4шт.

3

01643-32060

WASHER

SN: A70001 --UP

4шт.

4

176-70-43220

COLLAR

SN: A70001 --UP

4шт.

5

421-54-21270

CUSHION

SN: A70001 --UP

1шт.

6

421-54-21280

CUSHION

SN: A70001 --UP

4шт.

7

425-54-14470

CUSHION

SN: A70001 --UP

1шт.

8

425-54-21370

COVER

SN: A70001 --UP

1шт.

9

425-54-21661

COVER

SN: A70001 --UP

2шт.

10

425-54-21332

ANGLE

SN: A70001 --UP

1шт.

11

425-54-21362

COVER

SN: A70001 --UP

1шт.

12

01435-01220

BOLT

SN: A70001 --UP

6шт.

13

01435-01225

BOLT

SN: A70001 --UP

4шт.

14

01643-31232

WASHER

SN: A70001 --UP

4шт.

15

01011-62005

BOLT

SN: A70001 --UP

2шт.

16

01643-32060

WASHER

SN: A70001 --UP

2шт.

17

176-70-43220

COLLAR

SN: A70001 --UP

2шт.

18

09415-02512

CAP

SN: A70001 --UP

8шт.

19

01435-01220

BOLT

SN: A70001 --UP

2шт.

20

421-09-12322

LATCH

SN: A70001 --UP

1шт.

21

01220-40412

SCREW

SN: A70001 --UP

5шт.

22

01580-10403

NUT

SN: A70001 --UP

5шт.

23

01601-20410

WASHER

SN: A70001 --UP

5шт.

|$23

09460-00000

PADLOCK

SN: A70001 --UP

1шт.

Выбрано товаров: 0