Запчасти Komatsu WA500-3L M-A ENTRY ЛЕСТНИЦА HANDRAILS ЧАСТИ КОРПУСА

Схема запчастей Komatsu WA500-3L - M-A ENTRY ЛЕСТНИЦА HANDRAILS ЧАСТИ КОРПУСА
4
5
7
6
2
3
5
5
5
1
FIT
1:1
100%

Артикул

Название

Примечание

Количество

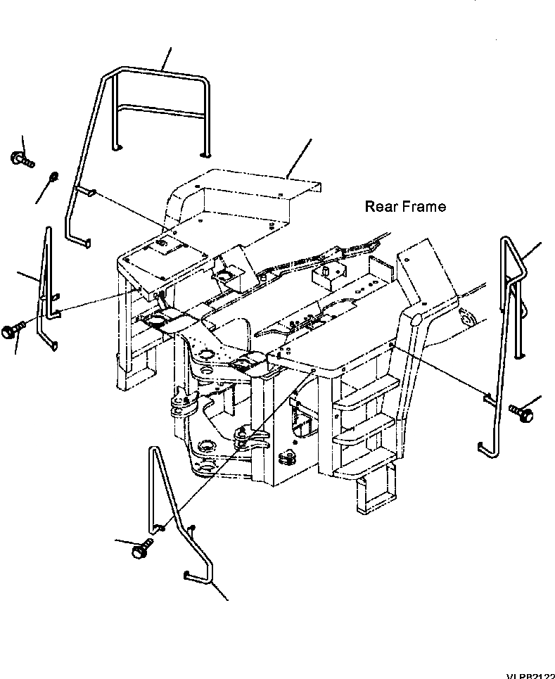
1

425-54-25112

HAND RAIL, L.H. FRONT

SN: A70001 --UP

1шт.

2

425-54-25122

HAND RAIL, L.H. REAR

SN: A70001 --UP

1шт.

3

425-54-25132

HAND RAIL, R.H. FRONT

SN: A70001 --UP

1шт.

4

425-54-25142

HAND RAIL, L.H. REAR

SN: A70001 --UP

1шт.

5

01435-01230

BOLT

SN: A70001 --UP

14шт.

6

01643-31232

WASHER

SN: A70001 --UP

14шт.

7

FLOOR (SEE FIG. M4310-01A0 )

SN: A70001 --UP

-1шт.

Выбрано товаров: 7