Запчасти Komatsu WA500-3LK ГИДРОТРАНСФОРМАТОР И ТРАНСМИССИЯ (ЭЛЕМЕНТЫ КРЕПЛЕНИЯ) СИЛОВАЯ ПЕРЕДАЧА И КОНЕЧНАЯ ПЕРЕДАЧА

Схема запчастей Komatsu WA500-3LK - ГИДРОТРАНСФОРМАТОР И ТРАНСМИССИЯ (ЭЛЕМЕНТЫ КРЕПЛЕНИЯ) СИЛОВАЯ ПЕРЕДАЧА И КОНЕЧНАЯ ПЕРЕДАЧА
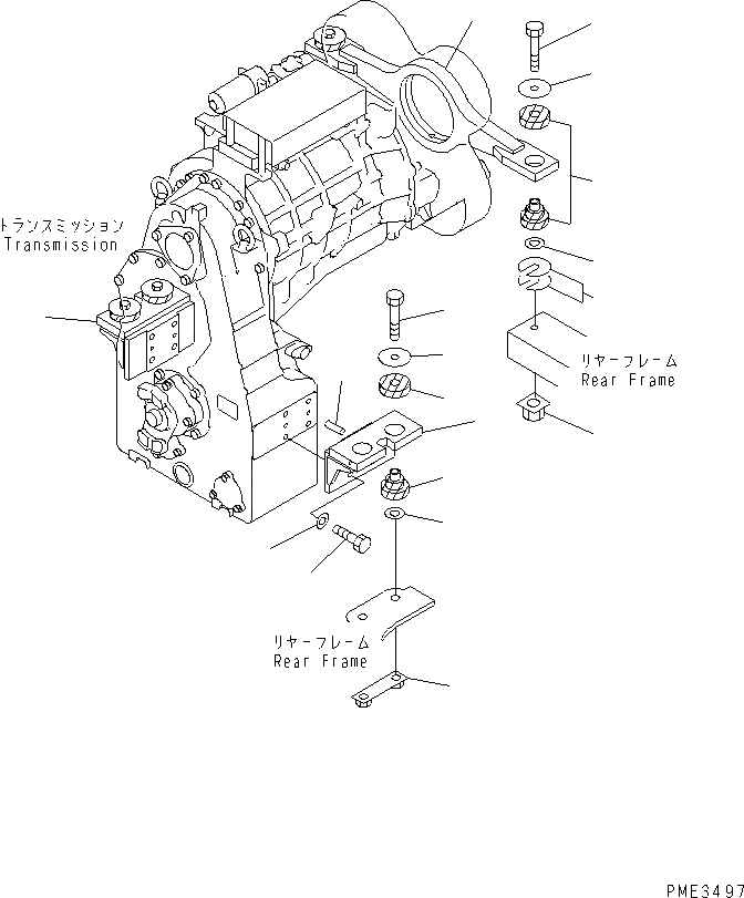
1
2
3
4
5
5
6
7
8
9
9
10
11
12
13
14
15
16
FIT
1:1
100%

Артикул

Название

Примечание

Количество

1

425-14-11121

TRUNNION

SN: A71001-UP

1шт.

2

418-01-11111

CUSHION ASS'Y

SN: A71001-UP

2шт.

3

01011-62230

BOLT

SN: A71001-UP

2шт.

4

419-01-11162

WASHER

SN: A71001-UP

2шт.

5

425-14-11132

BRACKET

SN: A71001-UP

2шт.

6

01010-31650

BOLT

SN: A71001-UP

8шт.

7

01643-31645

WASHER

SN: A71001-UP

8шт.

8

04020-01228

PIN

SN: A71001-UP

4шт.

9

418-01-11111

CUSHION ASS'Y

SN: A71001-UP

4шт.

10

01011-62230

BOLT

SN: A71001-UP

4шт.

11

419-01-11162

WASHER

SN: A71001-UP

4шт.

12

419-01-11162

WASHER

SN: A71001-UP

2шт.

13

425-01-11250

PLATE

SN: A71001-UP

2шт.

14

419-01-11162

WASHER

SN: A71001-UP

4шт.

15

425-14-11160

PLATE

SN: A71001-UP

2шт.

16

421-14-11170

SHIM, 0.5MM

SN: A71001-UP

16шт.

Выбрано товаров: 16