Запчасти Komatsu WA500-6 КАБИНА ROPS (ЭЛЕКТРИЧ. ЧАСТИ) (KOMTRAX)(№-) КАБИНА ОПЕРАТОРА И СИСТЕМА УПРАВЛЕНИЯ

Схема запчастей Komatsu WA500-6 - КАБИНА ROPS (ЭЛЕКТРИЧ. ЧАСТИ) (KOMTRAX)(№-) КАБИНА ОПЕРАТОРА И СИСТЕМА УПРАВЛЕНИЯ
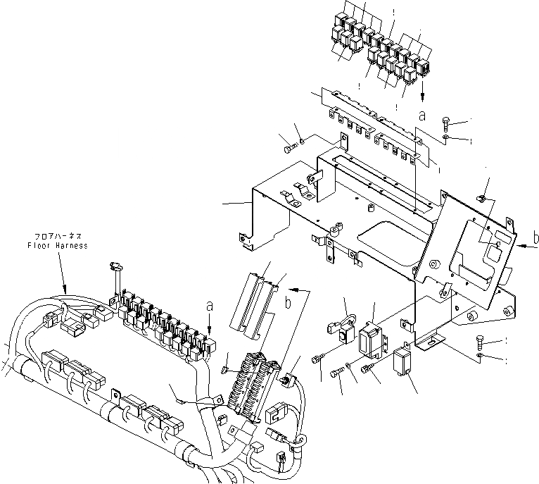
1
2
2
3
3
4
4
4
4
5
5
5
6
6
7
8
9
10
11
12
13
14
15
16
17
18
19
20
21
FIT
1:1
100%

Артикул

Название

Примечание

Количество

1

425-06-31111

BRACKET

SN: 55001-55201

1шт.

2

01010-81020

BOLT

SN: 55001-@

6шт.

3

01643-31032

WASHER

SN: 55001-@

6шт.

4

569-06-61960

RELAY

SN: 55001-55201

15шт.

5

569-06-61970

RELAY

SN: 55001-@

3шт.

6

569-06-61180

BRACKET

SN: 55001-@

4шт.

7

01010-80616

BOLT

SN: 55001-@

4шт.

8

01643-30623

WASHER

SN: 55001-@

4шт.

9

42C-06-16110

RELAY

SN: 55001-@

1шт.

10

01010-80616

BOLT

SN: 55001-@

1шт.

11

01643-30623

WASHER

SN: 55001-@

1шт.

12

23S-05-35320

BUZZER

SN: 55001-@

1шт.

13

01023-60412

SCREW

SN: 55001-@

2шт.

14

416-06-22250

FLASHER

SN: 55001-@

1шт.

15

01023-60514

SCREW

SN: 55001-@

1шт.

16

08501-22504

SWITCH

SN: 55001-@

1шт.

17

08504-10000

CAP

SN: 55001-@

1шт.

18

08041-00500

FUSE, 5A

SN: 55001-@

3шт.

18

08041-01000

FUSE, 10A

SN: 55001-@

10шт.

18

08041-02000

FUSE, 20A

SN: 55001-@

4шт.

18

08041-03000

FUSE, 30A

SN: 55001-@

2шт.

19

283-06-16120

COVER

SN: 55001-@

1шт.

20

08041-01000

FUSE, 10A

SN: 55001-@

14шт.

20

08041-02000

FUSE, 20A

SN: 55001-@

5шт.

21

283-06-16120

COVER

SN: 55001-@

1шт.

Выбрано товаров: 25