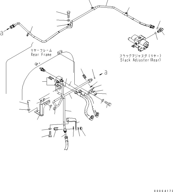
Запчасти Komatsu WA500-6 УПРАВЛ-Е ТОРМОЗОМ (ЗАДН. ТОРМОЗНАЯ ГИДРОЛИНИЯ /) (ДЛЯ ТОРМОЗ. СИСТЕМА ОХЛАЖДЕНИЯ)(№-) КАБИНА ОПЕРАТОРА И СИСТЕМА УПРАВЛЕНИЯ

Схема запчастей Komatsu WA500-6 - УПРАВЛ-Е ТОРМОЗОМ (ЗАДН. ТОРМОЗНАЯ ГИДРОЛИНИЯ /) (ДЛЯ ТОРМОЗ. СИСТЕМА ОХЛАЖДЕНИЯ)(№-) КАБИНА ОПЕРАТОРА И СИСТЕМА УПРАВЛЕНИЯ
1
2
2
3
4
4
5
6
6
6
6
7
8
9
10
11
12
13
14
15
16
17
18
19
20
21
22
22
23
24
25
26
27
28
29
30
31
32
FIT
1:1
100%

Артикул

Название

Примечание

Количество

1

425-43-37511

TUBE

SN: 55001-UP

1шт.

2

02896-61012

O-RING

SN: 55001-UP

2шт.

3

425-43-37681

TUBE

SN: 55001-UP

1шт.

4

02896-61012

O-RING

SN: 55001-UP

2шт.

5

425-43-37410

TUBE

SN: 55001-UP

1шт.

6

04434-51510

CLIP

SN: 55001-UP

5шт.

7

01010-81016

BOLT

SN: 55001-UP

5шт.

8

01643-31032

WASHER

SN: 55001-UP

5шт.

9

425-43-37381

PLATE

SN: 55001-UP

1шт.

10

01010-81020

BOLT

SN: 55001-UP

2шт.

11

01643-31032

WASHER

SN: 55001-UP

2шт.

12

07283-31529

CLIP

SN: 55001-UP

1шт.

13

07283-51523

SEAT,PIPE CLIP

SN: 55001-UP

1шт.

14

01643-30823

WASHER

SN: 55001-UP

2шт.

15

01596-00807

NUT

SN: 55001-UP

2шт.

16

02782-10422

ELBOW

SN: 55001-UP

1шт.

17

07002-62034

O-RING

SN: 55001-UP

1шт.

18

02896-61012

O-RING

SN: 55001-UP

1шт.

19

425-43-38451

BRACKET

SN: 55001-UP

1шт.

20

01010-81025

BOLT

SN: 55001-UP

2шт.

21

01643-31032

WASHER

SN: 55001-UP

2шт.

22

07283-51523

SEAT,PIPE CLIP

SN: 55001-UP

2шт.

23

07283-31537

CLIP,PIPE

SN: 55001-UP

2шт.

24

01643-30823

WASHER

SN: 55001-UP

4шт.

25

01596-00807

NUT

SN: 55001-UP

4шт.

26

425-43-38181

PLATE

SN: 55001-UP

1шт.

27

01010-81025

BOLT

SN: 55001-UP

2шт.

28

01643-31032

WASHER

SN: 55001-UP

2шт.

29

07283-51523

SEAT,PIPE CLIP

SN: 55001-UP

1шт.

30

07283-31529

CLIP,PIPE

SN: 55001-UP

1шт.

31

01643-30823

WASHER

SN: 55001-UP

2шт.

32

01596-00807

NUT

SN: 55001-UP

2шт.

Выбрано товаров: 0