Запчасти Komatsu WA500-6 ОСНОВН. КЛАПАН (3-Х СЕКЦИОНН.) (ДЛЯ E.C.S.S.) (/)(№-) ОСНОВН. КОМПОНЕНТЫ И РЕМКОМПЛЕКТЫ

Схема запчастей Komatsu WA500-6 - ОСНОВН. КЛАПАН (3-Х СЕКЦИОНН.) (ДЛЯ E.C.S.S.) (/)(№-) ОСНОВН. КОМПОНЕНТЫ И РЕМКОМПЛЕКТЫ
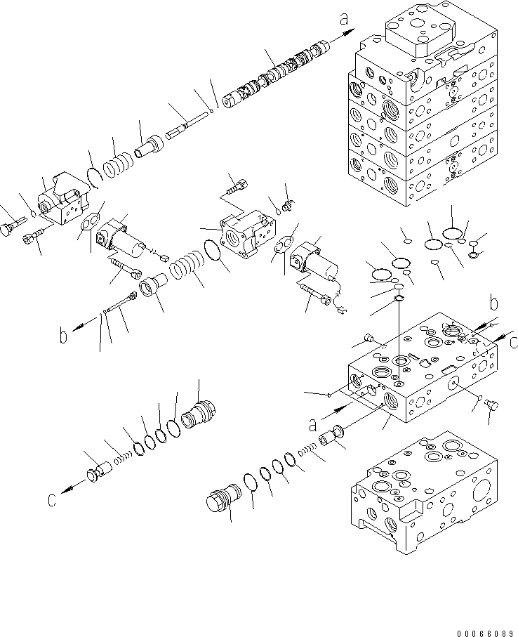
1
2
3
4
5
5
6
6
7
7
8
8
9
9
10
10
11
12
13
14
15
15
16
16
17
17
18
18
18
18
19
19
20
20
21
22
23
24
24
24
24
25
25
26
26
27
27
28
28
29
29
30
30
31
31
32
32
33
33
34
34
34
34
35
35
FIT
1:1
100%

Артикул

Название

Примечание

Количество

|$2

723-45-12101

VALVE ASS'Y

SN: 55400-UP

1шт.

|$3

0

VALVE ASS'Y

SN: 55001-55399

1шт.

|$$3

THESE ASSEMBLIES CONSIST OF ALL PARTS SHOWN IN FIGS.Y1665-01A0 TO Y1665-12A0.

-1шт.

|$5

0

BODY SUB ASS'Y

SN: 55400-UP

1шт.

|$6

0

BODY SUB ASS'Y

SN: 55001-55399

1шт.

1

0

BLOCK

SN: 55001-UP

1шт.

2

0

SPOOL

SN: 55400-UP

1шт.

2

0

SPOOL

SN: 55001-55399

1шт.

3

723-46-15130

PLUG

SN: 55001-UP

1шт.

4

723-46-16560

PLUG

SN: 55001-UP

1шт.

5

07002-10823

O-RING

SN: 55001-UP

2шт.

6

708-7T-16460

BALL

SN: 55001-UP

2шт.

7

723-46-15120

RETAINER

SN: 55001-UP

2шт.

8

723-46-14110

SPRING

SN: 55001-UP

2шт.

9

723-46-16621

CASE

SN: 55001-UP

2шт.

10

07430-71380

O-RING

SN: 55001-UP

2шт.

11

706-73-71450

PLUG

SN: 55001-UP

1шт.

12

07002-11423

O-RING

SN: 55001-UP

1шт.

13

723-46-16570

PLUG

SN: 55001-UP

1шт.

14

07002-11423

O-RING

SN: 55001-UP

1шт.

15

01252-60840

BOLT

SN: 55001-UP

4шт.

16

07000-11008

O-RING

SN: 55001-UP

6шт.

17

702-21-07610

SOLENOID VALVE

SN: 55001-UP

2шт.

18

700-22-11410

O-RING

SN: 55001-UP

4шт.

19

702-21-39450

O-RING

SN: 55001-UP

2шт.

20

203-60-62220

BOLT

SN: 55001-UP

4шт.

21

0

PLUG

SN: 55001-UP

1шт.

22

708-8H-11530

PLUG

SN: 55001-UP

1шт.

23

07002-11423

O-RING

SN: 55001-UP

1шт.

24

723-46-17530

O-RING

SN: 55001-UP

6шт.

25

723-11-19130

O-RING

SN: 55001-UP

2шт.

26

723-46-17520

RING

SN: 55001-UP

2шт.

27

723-46-16520

O-RING

SN: 55001-UP

2шт.

28

723-46-17510

O-RING

SN: 55001-UP

2шт.

29

722-12-19070

O-RING

SN: 55001-UP

2шт.

30

723-46-43971

SLEEVE

SN: 55001-UP

2шт.

31

723-46-43980

VALVE

SN: 55001-UP

2шт.

32

723-46-44920

SPRING

SN: 55001-UP

2шт.

33

700-93-11320

O-RING

SN: 55001-UP

2шт.

34

723-46-41950

RING

SN: 55001-UP

4шт.

35

07002-13634

O-RING

SN: 55001-UP

2шт.

Выбрано товаров: 41