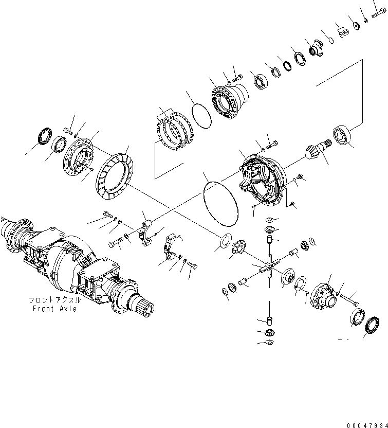
Запчасти Komatsu WA500-6 ПЕРЕДНИЙ МОСТ (ДИФФЕРЕНЦ. В СБОРЕ)(№-8) ГИДРОТРАНСФОРМАТОР И ТРАНСМИССИЯ

Схема запчастей Komatsu WA500-6 - ПЕРЕДНИЙ МОСТ (ДИФФЕРЕНЦ. В СБОРЕ)(№-8) ГИДРОТРАНСФОРМАТОР И ТРАНСМИССИЯ
1
2
2
3
3
4
5
6
6
7
7
8
8
9
9
10
10
10
10
11
12
13
14
15
16
16
16
16
17
17
18
18
18
18
19
19
19
19
20
20
21
22
23
24
25
25
26
26
27
28
29
30
31
32
33
34
35
36
37
38
39
40
41
42
43
44
45
46
47
48
FIT
1:1
100%

Артикул

Название

Примечание

Количество

|$1

425-22-30010

FRONT AXLE ASS'Y

SN: 55001-55481

1шт.

|$$2

THIS ASSEMBLY CONSISTS OF ALL PARTS SHOWN IN FIGS.F4400-01A0 TO F4400-07A0.

-1шт.

|$4

425-22-31010

DIFFERENTIAL ASS'Y

SN: 55001-55481

1шт.

|$5

425-22-31102

CARRIER

SN: 55001-55481

1шт.

1

0

CARRIER

SN: 55001-55481

1шт.

2

0

CAP

SN: 55001-@

2шт.

3

175-21-12180

PIN

SN: 55001-@

4шт.

4

01011-63040

BOLT

SN: 55001-@

4шт.

5

01643-33080

WASHER

SN: 55001-@

4шт.

6

425-22-31140

NUT

SN: 55001-@

2шт.

7

425-22-31150

PLATE

SN: 55001-@

2шт.

8

01010-60820

BOLT

SN: 55001-@

4шт.

9

01643-30823

WASHER

SN: 55001-@

4шт.

10

425-22-31370

SHIM,1.0MM

SN: 55001-@

2шт.

10

425-22-31380

SHIM,0.3MM

SN: 55001-@

2шт.

10

425-22-31390

SHIM,0.2MM

SN: 55001-@

4шт.

10

425-22-31360

SHIM,0.05MM

SN: 55001-@

6шт.

11

01010-61655

BOLT

SN: 55001-@

18шт.

12

01643-31645

WASHER

SN: 55001-@

18шт.

13

01010-62055

BOLT

SN: 55001-@

20шт.

14

01643-32060

WASHER

SN: 55001-@

20шт.

15

425-22-31410

SHAFT

SN: 55001-@

1шт.

16

425-22-31450

PINION

SN: 55001-@

4шт.

17

425-22-31431

GEAR

SN: 55001-@

2шт.

18

425-22-31680

BUSHING

SN: 55001-@

4шт.

19

425-22-31691

WASHER

SN: 55001-@

4шт.

20

425-22-31530

WASHER

SN: 55001-@

2шт.

|$30

425-22-31501

CASE ASS'Y

SN: 55001-@

1шт.

21

0

CASE

SN: 55001-@

1шт.

22

0

CASE

SN: 55001-@

1шт.

23

01011-62040

BOLT

SN: 55001-@

8шт.

24

01643-32060

WASHER

SN: 55001-@

8шт.

25

175-21-12180

PIN

SN: 55001-@

4шт.

26

425-22-31850

BEARING

SN: 55001-@

2шт.

|$38

425-22-31201

GEAR ASS'Y

SN: 55001-@

1шт.

27

0

PINION

SN: 55001-@

1шт.

28

0

GEAR

SN: 55001-@

1шт.

29

425-22-31130

CAGE,FRONT

SN: 55001-55481

1шт.

30

426-22-31820

BEARING

SN: 55001-@

1шт.

31

421-22-31820

BEARING

SN: 55001-@

1шт.

32

07000-15310

O-RING

SN: 55001-@

1шт.

33

421-22-31771

SEAL

SN: 55001-@

1шт.

34

421-22-31761

SEAL

SN: 55001-@

1шт.

35

425-22-31230

COUPLING

SN: 55001-@

1шт.

36

421-22-31310

PROTECTOR

SN: 55001-@

1шт.

37

07000-15065

O-RING

SN: 55001-@

1шт.

38

425-22-31240

HOLDER

SN: 55001-@

1шт.

39

01051-62445

BOLT

SN: 55001-@

1шт.

40

01643-32460

WASHER

SN: 55001-@

1шт.

41

425-22-31570

SHIM,0.05MM

SN: 55001-@

3шт.

41

425-22-31580

SHIM,0.2MM

SN: 55001-@

2шт.

41

425-22-31590

SHIM,0.5MM

SN: 55001-@

2шт.

42

07040-13316

PLUG

SN: 55001-@

1шт.

43

07002-13334

O-RING

SN: 55001-@

1шт.

44

287-35-11470

PLUG

SN: 55001-@

1шт.

45

01010-62050

BOLT

SN: 55001-@

18шт.

46

01643-32060

WASHER

SN: 55001-@

18шт.

47

14X-27-11170

O-RING

SN: 55001-@

1шт.

48

04020-01638

PIN

SN: 55001-@

1шт.

Выбрано товаров: 0