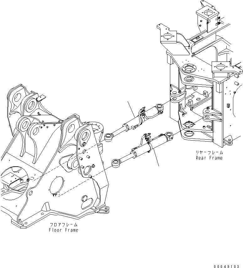
Запчасти Komatsu WA500-6 ЦИЛИНДР РУЛЕВ. УПР-Я(№-) ОСНОВНАЯ РАМА И ЕЕ ЧАСТИ

Схема запчастей Komatsu WA500-6 - ЦИЛИНДР РУЛЕВ. УПР-Я(№-) ОСНОВНАЯ РАМА И ЕЕ ЧАСТИ
1
2
FIT
1:1
100%

Артикул

Название

Примечание

Количество

1

707-00-XX441

CYLINDER GROUP,L.H.

SN: 55294-UP

1шт.

1

707-00-XX440

CYLINDER GROUP,L.H.

SN: 55001-55293

1шт.

2

707-00-XX451

CYLINDER GROUP,R.H.

SN: 55294-UP

1шт.

2

707-00-XX450

CYLINDER GROUP,R.H.

SN: 55001-55293

1шт.

Выбрано товаров: 4