Запчасти Komatsu WA500-6 КОВШ ПОЗИЦИОНЕР(№-) КАБИНА ОПЕРАТОРА И СИСТЕМА УПРАВЛЕНИЯ

Схема запчастей Komatsu WA500-6 - КОВШ ПОЗИЦИОНЕР(№-) КАБИНА ОПЕРАТОРА И СИСТЕМА УПРАВЛЕНИЯ
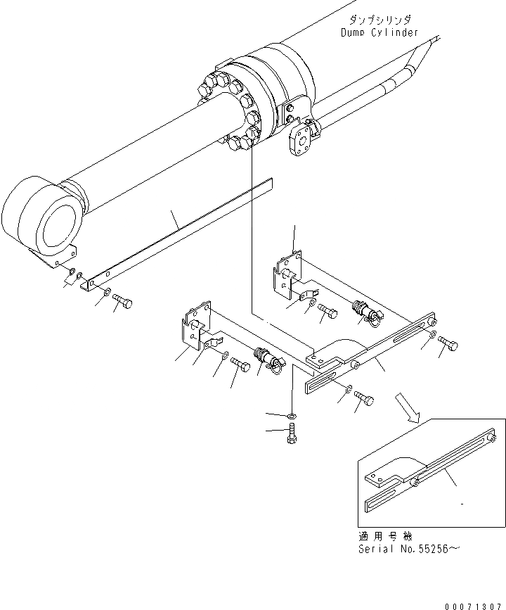
1
2
3
4
5
5
6
7
8
8
9
9
10
10
11
11
12
12
13
13
14
14
FIT
1:1
100%

Артикул

Название

Примечание

Количество

1

425-43-39210

PLATE

SN: 55001-UP

1шт.

2

01010-81235

BOLT

SN: 55001-UP

2шт.

3

01643-31232

WASHER

SN: 55001-UP

2шт.

4

6113-63-1630

SHIM, 0.2MM

SN: 55001-UP

2шт.

4

6113-63-1640

SHIM, 0.5MM

SN: 55001-UP

2шт.

5

425-43-39223

BRACKET

SN: 55256-UP

1шт.

5

0

BRACKET

SN: 55001-55255

1шт.

6

01010-81030

BOLT

SN: 55001-UP

2шт.

7

01643-31032

WASHER

SN: 55001-UP

2шт.

8

56B-06-15610

SWITCH

SN: 55001-UP

2шт.

9

426-43-39230

PLATE

SN: 55001-UP

2шт.

10

01010-81235

BOLT

SN: 55001-UP

4шт.

11

01643-31232

WASHER

SN: 55001-UP

4шт.

12

08193-20010

CLIP

SN: 55001-UP

2шт.

13

01010-81020

BOLT

SN: 55001-UP

2шт.

14

01643-31032

WASHER

SN: 55001-UP

2шт.

Выбрано товаров: 0