Запчасти Komatsu WA500-6 ДВЕРЦЫ КАПОТА (ГИДРОЛИНИЯ / И ТРАНСМИССИЯ САПУН) (ДЛЯ ЭКСТРЕННОГО УПРАВЛЕНИЯ)(№-) ЧАСТИ КОРПУСА

Схема запчастей Komatsu WA500-6 - ДВЕРЦЫ КАПОТА (ГИДРОЛИНИЯ / И ТРАНСМИССИЯ САПУН) (ДЛЯ ЭКСТРЕННОГО УПРАВЛЕНИЯ)(№-) ЧАСТИ КОРПУСА
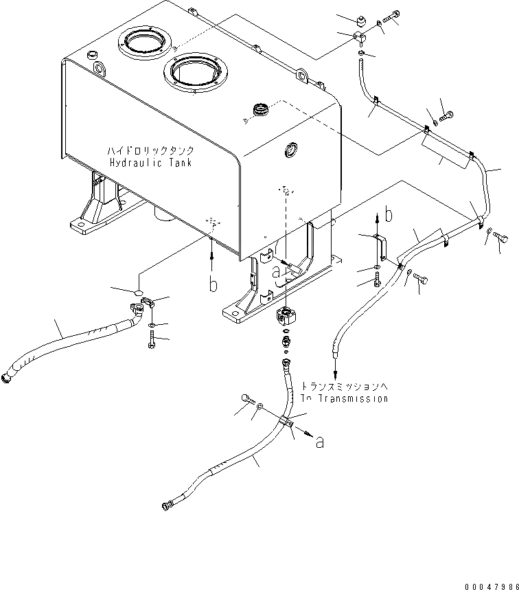
1
2
3
4
5
6
7
8
9
10
11
12
13
14
15
16
16
17
17
18
18
18
19
19
19
20
21
22
23
FIT
1:1
100%

Артикул

Название

Примечание

Количество

1

425-62-31171

HOSE

SN: 55001-UP

1шт.

2

04434-52711

CLIP

SN: 55001-UP

1шт.

3

07095-20420

CUSHION

SN: 55001-UP

1шт.

4

01010-81020

BOLT

SN: 55001-UP

1шт.

5

01643-31032

WASHER

SN: 55001-UP

1шт.

6

425-62-32331

HOSE

SN: 55001-UP

1шт.

7

07000-B3032

O-RING

SN: 55001-UP

1шт.

8

07371-31049

FLANGE,SPLIT

SN: 55001-UP

2шт.

9

07372-21035

BOLT

SN: 55001-UP

4шт.

10

01643-51032

WASHER

SN: 55001-UP

4шт.

11

07030-00252

BREATHER

SN: 55001-UP

1шт.

12

425-60-35611

BLOCK

SN: 55001-UP

1шт.

13

01010-81045

BOLT

SN: 55001-UP

1шт.

14

01643-31032

WASHER

SN: 55001-UP

1шт.

15

11Y-09-11140

CLIP

SN: 55001-UP

1шт.

16

04434-51610

CLIP

SN: 55001-UP

3шт.

17

04434-52210

CLIP

SN: 55001-UP

3шт.

18

01010-81020

BOLT

SN: 55001-UP

6шт.

19

01643-31032

WASHER

SN: 55001-UP

6шт.

20

425-15-31620

BRACKET

SN: 55001-UP

1шт.

21

01010-81020

BOLT

SN: 55001-UP

1шт.

22

01643-31032

WASHER

SN: 55001-UP

1шт.

23

425-15-31611

HOSE

SN: 55001-UP

1шт.

23

08037-01610

GROMMET

SN: 55001-UP

1шт.

Выбрано товаров: 24