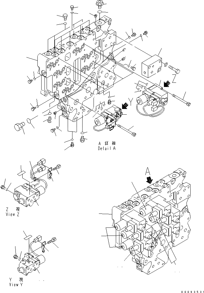
Запчасти Komatsu WA500-6 КЛАПАН УПРАВЛЕНИЯ ТРАНСМИССИЕЙ (УПРАВЛЯЮЩ. КЛАПАН И ECMV) (С БЛОКИР.-UP)(№-) ГИДРОТРАНСФОРМАТОР И ТРАНСМИССИЯ

Схема запчастей Komatsu WA500-6 - КЛАПАН УПРАВЛЕНИЯ ТРАНСМИССИЕЙ (УПРАВЛЯЮЩ. КЛАПАН И ECMV) (С БЛОКИР.-UP)(№-) ГИДРОТРАНСФОРМАТОР И ТРАНСМИССИЯ
1
1
2
2
3
3
3
4
4
4
5
5
5
5
5
5
5
5
5
6
6
6
6
6
6
6
6
6
7
8
8
9
9
10
11
11
11
11
11
12
13
14
15
16
17
18
18
18
19
20
21
22
23
24
25
25
26
26
27
28
FIT
1:1
100%

Артикул

Название

Примечание

Количество

|$2

425-15-31011

TRANSMISSION ASS'Y,(WITH LOCK-UP)

SN: 55293-UP

1шт.

|$3

0

TRANSMISSION ASS'Y,(WITH LOCK-UP)

SN: 55001-55292

1шт.

|$$3

THESE ASSEMBLIES CONSIST OF ALL PARTS SHOWN IN FIGS.F4320-51A0 TO F4320-68A1.

-1шт.

|$6

425-15-35011

VALVE A.

SN: 55001-UP

1шт.

|$7

0

VALVE A.

SN: (55001-55280)

1шт.

|$$6

THESE ASSEMBLIES CONSISTS OF ALL PARTS SHOWN IN FIGS.F4320-64A1 TO F4320-66A0.

-1шт.

1

425-15-35131

SEAT

SN: 55001-UP

1шт.

2

07043-70312

PLUG

SN: 55001-UP

2шт.

3

07040-11612

PLUG

SN: 55001-UP

6шт.

4

07002-61623

O-RING (K3)

SN: 55001-UP

6шт.

5

07040-11409

PLUG

SN: 55001-UP

14шт.

6

07002-61423

O-RING (K3)

SN: 55001-UP

14шт.

7

07041-13012

PLUG

SN: 55001-UP

1шт.

8

07002-63034

O-RING (K3)

SN: 55001-UP

2шт.

9

07043-70211

PLUG

SN: 55001-UP

2шт.

10

426-15-46451

ADAPTER

SN: 55001-UP

1шт.

11

425-15-35201

ECMV ASS'Y

SN: 55001-UP

6шт.

11

0

ECMV ASS'Y

SN: (55001-55280)

6шт.

12

01252-60510

BOLT

SN: 55001-UP

24шт.

13

714-23-15690

BRACKET

SN: 55001-UP

6шт.

14

708-8E-16150

PLUG

SN: 55001-UP

6шт.

15

07002-61023

O-RING (K3)

SN: 55001-UP

6шт.

16

0

PLATE,(LIMITED SUPPLY)

SN: 55001-UP

6шт.

17

08034-00310

BAND

SN: 55281-UP

6шт.

17

08034-20414

BAND

SN: 55001-55280

6шт.

18

425-15-35300

ECMV ASS'Y

SN: 55001-UP

1шт.

19

01252-60510

BOLT

SN: 55001-UP

4шт.

20

425-15-35330

BRACKET

SN: 55001-UP

1шт.

21

0

PLATE,(LIMITED SUPPLY)

SN: 55001-UP

1шт.

22

708-8E-16150

PLUG

SN: 55001-UP

1шт.

23

07002-61023

O-RING (K3)

SN: 55001-UP

1шт.

24

01252-70650

BOLT

SN: 55001-UP

4шт.

25

07000-72015

O-RING (K3)

SN: 55001-UP

28шт.

26

07000-71007

O-RING (K3)

SN: 55001-UP

7шт.

27

01252-70650

BOLT

SN: 55001-UP

24шт.

28

426-15-45141

BLOCK

SN: 55001-UP

1шт.

Выбрано товаров: 0