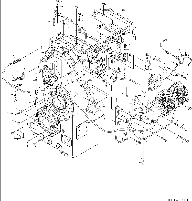
Запчасти Komatsu WA500-6 ТРАНСМИССИЯ (Э/ПРОВОДКА)(№-) ГИДРОТРАНСФОРМАТОР И ТРАНСМИССИЯ

Схема запчастей Komatsu WA500-6 - ТРАНСМИССИЯ (Э/ПРОВОДКА)(№-) ГИДРОТРАНСФОРМАТОР И ТРАНСМИССИЯ
1
2
3
4
5
5
6
6
7
8
9
10
11
12
13
14
14
15
16
17
18
19
20
20
21
21
22
22
23
23
24
24
25
26
27
28
29
30
31
32
33
34
35
35
36
36
37
38
39
40
40
41
41
42
42
43
44
45
46
47
47
47
48
49
49
49
49
49
50
50
FIT
1:1
100%

Артикул

Название

Примечание

Количество

|$2

425-15-31001

TRANSMISSION ASS'Y

SN: 55293-UP

1шт.

|$3

0

TRANSMISSION ASS'Y

SN: 55001-55292

1шт.

|$$3

THESE ASSEMBLIES CONSIST OF ALL PARTS SHOWN IN FIGS.F4320-51A0 TO F4320-68A0.

-1шт.

1

425-15-36812

WIRING HARNESS

SN: 55001-UP

1шт.

2

21J-06-13661

DIODE

SN: 55001-UP

1шт.

3

04434-52511

CLIP

SN: 55001-UP

1шт.

4

07095-20318

CUSHION

SN: 55001-UP

1шт.

5

01010-81020

BOLT

SN: 55001-UP

2шт.

6

01643-31032

WASHER

SN: 55001-UP

2шт.

7

425-15-36832

BRACKET

SN: 55001-UP

1шт.

8

144-874-7470

BOSS

SN: 55001-UP

1шт.

9

01010-81020

BOLT

SN: 55001-UP

1шт.

10

01643-31032

WASHER

SN: 55001-UP

1шт.

11

01011-81010

BOLT

SN: 55001-UP

1шт.

12

01643-31032

WASHER

SN: 55001-UP

1шт.

13

600-051-2100

CLIP

SN: 55001-UP

1шт.

14

175-61-17240

COLLAR

SN: 55001-UP

2шт.

15

01010-81080

BOLT

SN: 55001-UP

1шт.

16

01643-31032

WASHER

SN: 55001-UP

1шт.

17

600-051-2180

CLIP

SN: 55001-UP

1шт.

18

600-051-2100

CLIP

SN: 55001-UP

1шт.

19

425-15-36841

BRACKET

SN: 55001-UP

1шт.

20

01252-71025

BOLT

SN: 55001-UP

2шт.

21

01643-31032

WASHER

SN: 55001-UP

2шт.

22

600-051-2100

CLIP

SN: 55001-UP

2шт.

23

01010-81020

BOLT

SN: 55001-UP

2шт.

24

01643-31032

WASHER

SN: 55001-UP

2шт.

25

417-S62-2460

PLATE

SN: 55001-UP

1шт.

26

01010-81020

BOLT

SN: 55001-UP

1шт.

27

01643-31032

WASHER

SN: 55001-UP

1шт.

28

42A-16-11210

PLATE

SN: 55001-UP

1шт.

29

01010-81020

BOLT

SN: 55001-UP

1шт.

30

01643-31032

WASHER

SN: 55001-UP

1шт.

31

7861-93-3320

SENSOR

SN: 55001-UP

1шт.

32

08193-20010

CLIP

SN: 55001-UP

1шт.

33

7861-93-2330

SENSOR

SN: 55001-UP

1шт.

34

600-051-2140

CLIP

SN: 55001-UP

1шт.

35

01010-81020

BOLT

SN: 55001-UP

2шт.

36

01643-31032

WASHER

SN: 55001-UP

2шт.

37

08193-20010

CLIP

SN: 55001-UP

1шт.

38

600-051-2050

CLIP

SN: 55001-UP

1шт.

39

08193-20010

CLIP

SN: 55001-UP

1шт.

40

01010-81020

BOLT

SN: 55001-UP

2шт.

41

01643-31032

WASHER

SN: 55001-UP

2шт.

42

600-051-2140

CLIP

SN: 55001-UP

2шт.

43

600-051-2100

CLIP

SN: 55001-UP

1шт.

44

01010-81020

BOLT

SN: 55001-UP

1шт.

45

01643-31032

WASHER

SN: 55001-UP

1шт.

46

0

PLATE, NAME,(LIMITED SUPPLY)

SN: 55001-UP

1шт.

46

04418-13060

SCREW

SN: 55001-UP

4шт.

47

07049-01012

PLUG

SN: 55001-UP

6шт.

48

07049-01620

PLUG

SN: 55001-UP

2шт.

49

07049-01215

PLUG

SN: 55001-UP

10шт.

50

07049-02430

PLUG

SN: 55001-UP

4шт.

Выбрано товаров: 54