Запчасти Komatsu WA500-6 ГИДРОЛИНИЯ (ГЛАВН. ЛИНИЯ) (/)(№-) ГИДРАВЛИКА

Схема запчастей Komatsu WA500-6 - ГИДРОЛИНИЯ (ГЛАВН. ЛИНИЯ) (/)(№-) ГИДРАВЛИКА
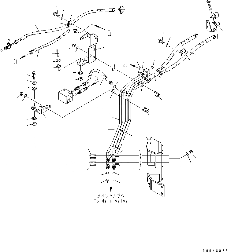
1
2
2
3
4
4
4
5
6
6
7
8
8
9
9
10
10
10
10
11
12
13
14
14
15
16
17
18
19
19
19
20
21
22
23
23
24
25
26
27
28
29
30
31
32
33
34
35
36
37
38
38
39
39
40
41
FIT
1:1
100%

Артикул

Название

Примечание

Количество

1

425-62-33522

TUBE

SN: 55001-UP

1шт.

2

02896-61009

O-RING

SN: 55001-UP

2шт.

3

425-62-33532

TUBE

SN: 55001-UP

1шт.

4

02896-61009

O-RING

SN: 55001-UP

3шт.

5

425-62-33541

TUBE

SN: 55001-UP

1шт.

6

02896-61009

O-RING

SN: 55001-UP

2шт.

7

425-62-33551

TUBE

SN: 55001-UP

1шт.

8

02896-61009

O-RING

SN: 55001-UP

2шт.

9

07283-51523

SEAT

SN: 55001-UP

4шт.

10

07283-31537

CLIP

SN: 55001-UP

4шт.

11

01643-30823

WASHER

SN: 55001-UP

8шт.

12

01596-00807

NUT

SN: 55001-UP

8шт.

13

425-62-33562

BRACKET

SN: 55001-UP

1шт.

14

144-854-1890

WASHER

SN: 55001-UP

4шт.

15

421-62-23350

CUSHION

SN: 55001-UP

2шт.

16

421-62-23710

CUSHION

SN: 55001-UP

2шт.

17

01010-81035

BOLT

SN: 55001-UP

2шт.

18

07283-51523

SEAT

SN: 55001-UP

3шт.

19

07283-31537

CLIP

SN: 55001-UP

3шт.

20

01643-30823

WASHER

SN: 55001-UP

6шт.

21

01596-00807

NUT

SN: 55001-UP

6шт.

22

425-62-33872

PLATE

SN: 55001-UP

1шт.

23

144-854-1890

WASHER

SN: 55001-UP

4шт.

24

421-62-23350

CUSHION

SN: 55001-UP

2шт.

25

421-62-23710

CUSHION

SN: 55001-UP

2шт.

26

01010-81035

BOLT

SN: 55001-UP

2шт.

27

07283-51523

SEAT

SN: 55001-UP

2шт.

28

07283-31537

CLIP

SN: 55001-UP

2шт.

29

01643-30823

WASHER

SN: 55001-UP

4шт.

30

01596-00807

NUT

SN: 55001-UP

4шт.

31

425-62-33612

HOSE

SN: 55001-UP

1шт.

32

02761-00303

HOSE

SN: 55001-UP

1шт.

33

02754-00308

HOSE

SN: 55001-UP

1шт.

34

04434-52110

CLIP

SN: 55001-UP

1шт.

35

07095-20314

CUSHION

SN: 55001-UP

1шт.

36

01010-81025

BOLT

SN: 55001-UP

1шт.

37

01643-31032

WASHER

SN: 55001-UP

1шт.

38

04434-51910

CLIP

SN: 55001-UP

2шт.

39

07095-20213

CUSHION

SN: 55001-UP

2шт.

40

01010-81020

BOLT

SN: 55001-UP

1шт.

41

01643-31032

WASHER

SN: 55001-UP

1шт.

Выбрано товаров: 41