Запчасти Komatsu WA500-6 КОНДИЦ. ВОЗДУХА ЭЛЕМЕНТЫ КРЕПЛЕНИЯ И ТРУБЫ (/)(№-) КАБИНА ОПЕРАТОРА И СИСТЕМА УПРАВЛЕНИЯ

Схема запчастей Komatsu WA500-6 - КОНДИЦ. ВОЗДУХА ЭЛЕМЕНТЫ КРЕПЛЕНИЯ И ТРУБЫ (/)(№-) КАБИНА ОПЕРАТОРА И СИСТЕМА УПРАВЛЕНИЯ
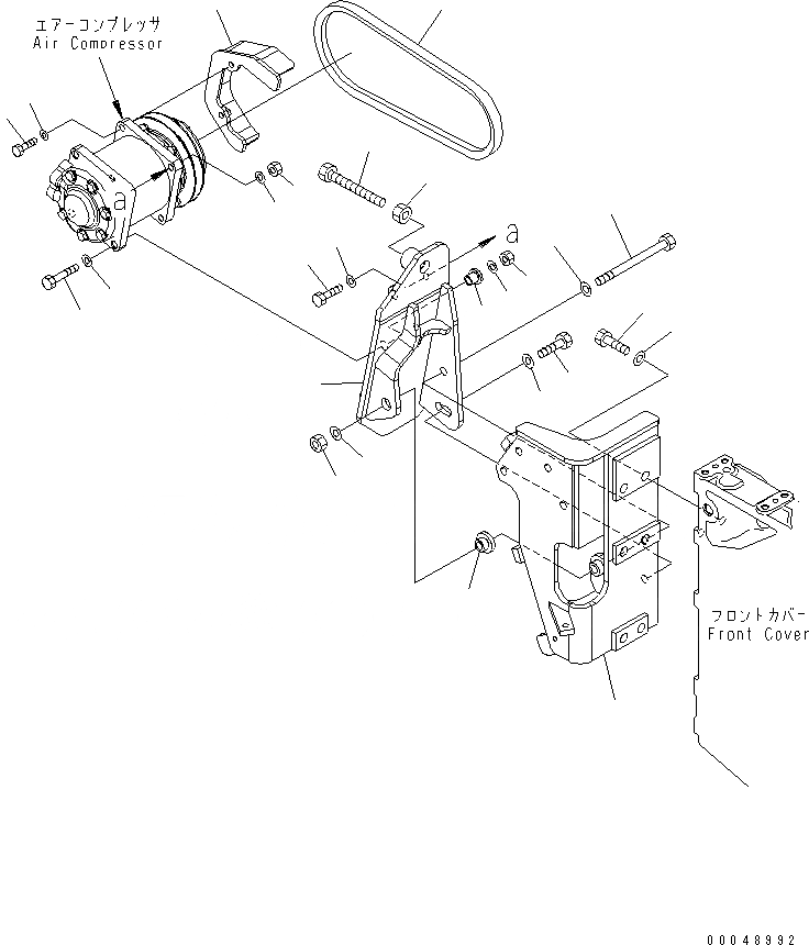
1
2
3
4
5
5
6
7
8
9
10
10
11
11
12
13
14
15
16
17
18
19
20
21
22
23
FIT
1:1
100%

Артикул

Название

Примечание

Количество

1

425-S62-3122

BRACKET

SN: 55243-UP

1шт.

1

425-S62-3121

BRACKET

SN: 55001-55242

1шт.

2

419-07-11761

COLLAR

SN: 55001-UP

1шт.

3

01011-81250

BOLT

SN: 55001-UP

1шт.

4

01580-11210

NUT

SN: 55001-UP

1шт.

5

01643-31232

WASHER

SN: 55001-UP

2шт.

6

01010-81045

BOLT

SN: 55001-UP

2шт.

7

01643-31032

WASHER

SN: 55001-UP

2шт.

8

01010-81055

BOLT

SN: 55001-UP

2шт.

9

01643-31032

WASHER

SN: 55001-UP

2шт.

10

01643-31032

WASHER

SN: 55001-UP

6шт.

11

01580-01008

NUT

SN: 55001-UP

4шт.

12

425-S62-3160

COLLAR

SN: 55001-UP

2шт.

13

01010-81250

BOLT

SN: 55001-UP

1шт.

14

01643-31232

WASHER

SN: 55001-UP

1шт.

15

01580-11613

NUT

SN: 55001-UP

1шт.

16

01017-51620

BOLT

SN: 55001-UP

1шт.

17

04120-21735

V-BELT

SN: 55001-UP

1шт.

18

425-S62-3131

COVER

SN: 55001-UP

1шт.

19

01010-80835

BOLT

SN: 55001-UP

2шт.

20

01643-30823

WASHER

SN: 55001-UP

2шт.

21

425-S62-3114

BRACKET

SN: 55233-UP

1шт.

21

425-S62-3112

BRACKET

SN: 55001-55232

1шт.

22

01010-81240

BOLT

SN: 55001-UP

6шт.

23

01643-31232

WASHER

SN: 55001-UP

6шт.

Выбрано товаров: 25