Запчасти Komatsu WA500-6 ПЕРЕДН. Э/ПРОВОДКА(№-) ЭЛЕКТРИКА

Схема запчастей Komatsu WA500-6 - ПЕРЕДН. Э/ПРОВОДКА(№-) ЭЛЕКТРИКА
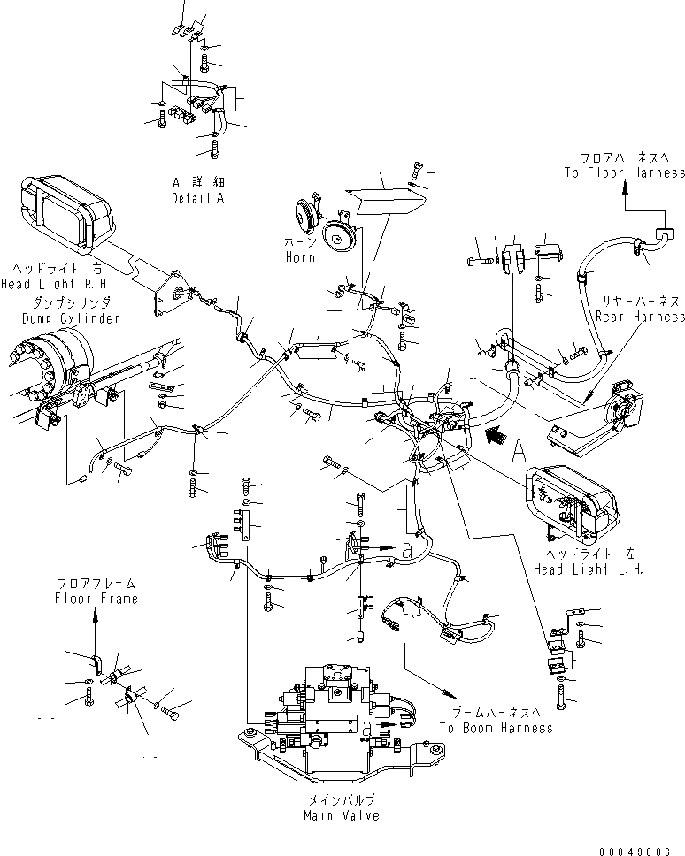
1
1
2
2
2
2
2
2
2
2
2
2
2
3
3
3
3
3
3
3
3
3
3
3
4
5
6
6
6
7
7
7
8
8
9
9
10
11
12
13
14
14
14
14
14
14
14
14
14
14
14
15
15
15
15
15
15
15
15
15
15
15
15
16
17
17
17
17
18
18
19
19
20
21
22
23
23
24
25
26
27
28
29
29
30
30
31
31
32
33
33
34
35
36
36
37
38
39
40
41
42
43
44
45
46
46
FIT
1:1
100%

Артикул

Название

Примечание

Количество

1

425-06-32215

WIRING HARNESS

SN: 55062-UP

1шт.

1

425-06-32214

WIRING HARNESS

SN: 55001-55061

1шт.

2

01010-81016

BOLT

SN: 55001-UP

49шт.

3

01643-31032

WASHER

SN: 55001-UP

49шт.

4

01010-81020

BOLT

SN: 55001-UP

2шт.

5

01643-31032

WASHER

SN: 55001-UP

2шт.

6

01010-81025

BOLT

SN: 55001-UP

5шт.

7

01643-31032

WASHER

SN: 55001-UP

5шт.

8

01010-81075

BOLT

SN: 55001-UP

1шт.

9

01643-31032

WASHER

SN: 55001-UP

1шт.

10

01010-81280

BOLT

SN: 55001-UP

4шт.

11

01643-31232

WASHER

SN: 55001-UP

4шт.

12

01643-31032

WASHER

SN: 55001-UP

2шт.

13

01596-01009

NUT

SN: 55001-UP

2шт.

14

04434-51010

CLIP

SN: 55001-UP

14шт.

15

04434-51410

CLIP

SN: 55001-UP

18шт.

16

04434-51510

CLIP

SN: 55001-UP

2шт.

17

04434-51710

CLIP

SN: 55001-UP

5шт.

18

04434-52310

CLIP

SN: 55001-UP

4шт.

19

07094-11024

CLAMP

SN: 55001-UP

4шт.

20

07095-01033

CUSHION

SN: 55001-UP

2шт.

21

07283-33442

CLIP

SN: 55001-UP

1шт.

22

07283-53444

SEAT

SN: 55001-UP

1шт.

23

08193-21012

CLIP

SN: 55001-UP

2шт.

24

41E-70-15420

SPACER

SN: 55001-UP

1шт.

25

423-06-32280

BRACKET

SN: 55001-UP

1шт.

26

425-06-32661

COVER

SN: 55001-UP

1шт.

27

425-06-32673

BRACKET

SN: 55001-UP

1шт.

28

426-06-32551

PLATE

SN: 55001-UP

1шт.

29

04434-51610

CLIP

SN: 55001-UP

2шт.

30

07095-20211

CUSHION

SN: 55001-UP

2шт.

31

07095-20523

CUSHION

SN: 55001-UP

2шт.

32

08193-31012

CLIP

SN: 55001-UP

2шт.

33

175-79-83760

SPACER

SN: 55001-UP

2шт.

34

425-06-33280

BRACKET

SN: 55001-UP

1шт.

35

425-06-33270

PLATE

SN: 55001-UP

1шт.

36

426-09-11210

GROMMET

SN: 55001-UP

2шт.

37

425-03-11420

PLATE

SN: 55001-UP

1шт.

38

01010-81020

BOLT

SN: 55001-UP

1шт.

39

01643-31032

WASHER

SN: 55001-UP

1шт.

40

04434-53211

CLIP

SN: 55001-UP

1шт.

41

07095-20522

CUSHION

SN: 55001-UP

1шт.

42

01010-81025

BOLT

SN: 55001-UP

1шт.

43

01643-31032

WASHER

SN: 55001-UP

1шт.

44

04434-53411

CLIP

SN: 55001-UP

1шт.

45

07095-20625

CUSHION

SN: 55001-UP

1шт.

46

08034-20519

BAND

SN: 55001-UP

2шт.

Выбрано товаров: 47