Запчасти Komatsu WA500-6 УПРАВЛ-Е ТОРМОЗОМ (ДЛЯ ТОРМОЗ. СИСТЕМА ОХЛАЖДЕНИЯ) (ПЕРЕДНИЙ МОСТ ЛИНИЯ) (/)(№-) КАБИНА ОПЕРАТОРА И СИСТЕМА УПРАВЛЕНИЯ

Схема запчастей Komatsu WA500-6 - УПРАВЛ-Е ТОРМОЗОМ (ДЛЯ ТОРМОЗ. СИСТЕМА ОХЛАЖДЕНИЯ) (ПЕРЕДНИЙ МОСТ ЛИНИЯ) (/)(№-) КАБИНА ОПЕРАТОРА И СИСТЕМА УПРАВЛЕНИЯ
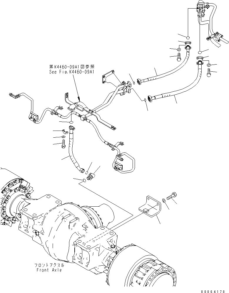
1
2
2
3
4
5
6
7
7
8
9
10
11
12
13
14
15
16
17
18
19
20
21
FIT
1:1
100%

Артикул

Название

Примечание

Количество

1

07125-01010

HOSE

SN: 55001-UP

1шт.

2

07000-B3032

O-RING

SN: 55001-UP

2шт.

3

07371-31049

FLANGE,SPLIT

SN: 55001-UP

4шт.

4

07372-21035

BOLT

SN: 55001-UP

8шт.

5

01643-51032

WASHER

SN: 55001-UP

8шт.

6

07125-00610

HOSE

SN: 55001-UP

1шт.

7

07000-B3025

O-RING

SN: 55001-UP

2шт.

8

07371-30640

FLANGE,SPLIT

SN: 55001-UP

4шт.

9

07372-21035

BOLT

SN: 55001-UP

8шт.

10

01643-51032

WASHER

SN: 55001-UP

8шт.

11

21W-62-42640

ELBOW

SN: 55001-UP

1шт.

12

07002-63334

O-RING

SN: 55001-UP

1шт.

13

207-62-64740

O-RING

SN: 55001-UP

1шт.

14

425-S05-3811

HOSE

SN: 55001-UP

1шт.

15

07000-B3032

O-RING

SN: 55001-UP

1шт.

16

07371-31049

FLANGE,SPLIT

SN: 55001-UP

2шт.

17

07372-21035

BOLT

SN: 55001-UP

4шт.

18

01643-51032

WASHER

SN: 55001-UP

4шт.

19

425-S05-3661

PLATE

SN: 55001-UP

1шт.

20

01643-32060

WASHER

SN: 55001-UP

2шт.

21

01010-82050

BOLT

SN: 55001-UP

2шт.

Выбрано товаров: 21