Запчасти Komatsu WA500-6 ГИДР. НАСОС. (РУЛЕВ. УПРАВЛЕНИЕ) (/)(№-7) ОСНОВН. КОМПОНЕНТЫ И РЕМКОМПЛЕКТЫ

Схема запчастей Komatsu WA500-6 - ГИДР. НАСОС. (РУЛЕВ. УПРАВЛЕНИЕ) (/)(№-7) ОСНОВН. КОМПОНЕНТЫ И РЕМКОМПЛЕКТЫ
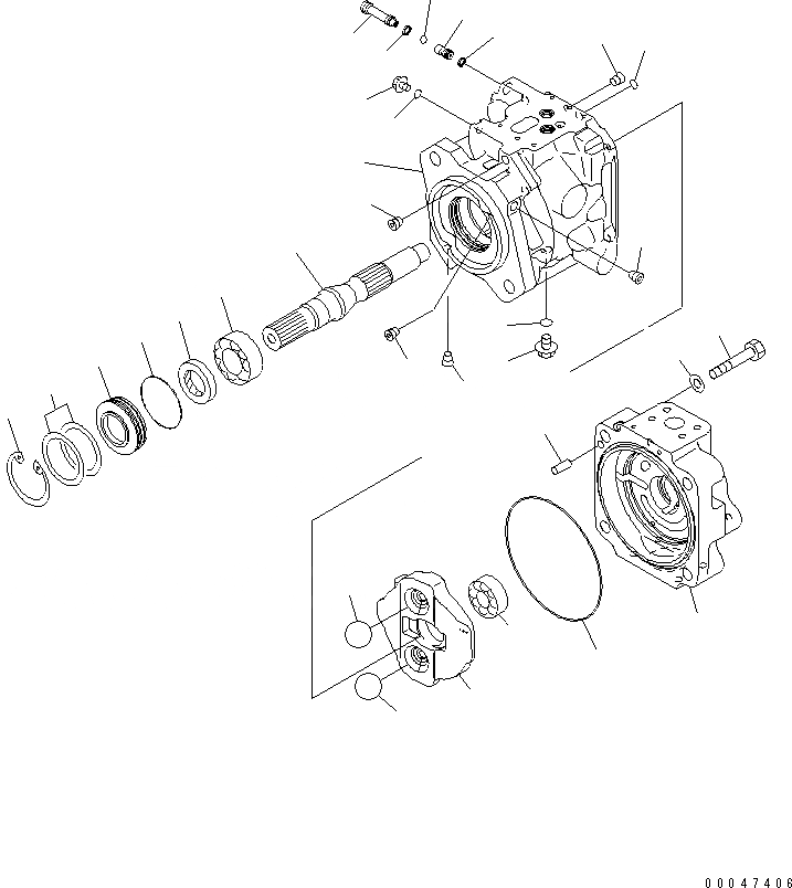
1
2
2
2
2
2
3
4
5
6
7
8
9
10
11
12
13
14
15
16
17
18
19
19
20
21
22
23
24
25
26
27
FIT
1:1
100%

Артикул

Название

Примечание

Количество

|$1

708-1W-00820

PUMP ASS'Y

SN: 55001-55307

1шт.

|$$2

THIS ASSEMBLY CONSISTS OF ALL PARTS SHOWN IN FIGS.Y1600-11A0 TO Y1600-14A0.

-1шт.

|$4

708-1W-01822

PUMP SUB ASS'Y

SN: 55001-55307

1шт.

|$5

0

CASE ASS'Y

SN: 55001-@

1шт.

1

0

CASE,PUMP

SN: 55001-@

1шт.

2

0

PLUG

SN: 55001-@

5шт.

3

708-8E-16160

PLUG

SN: 55001-@

1шт.

4

07002-11023

O-RING

SN: 55001-@

1шт.

5

07040-11409

PLUG

SN: 55001-@

1шт.

6

07002-11423

O-RING

SN: 55001-@

1шт.

7

706-73-42370

O-RING

SN: 55001-@

1шт.

8

07000-B1009

O-RING

SN: 55001-@

1шт.

9

04020-01024

PIN,DOWEL

SN: 55001-@

1шт.

10

01010-61470

BOLT

SN: 55001-@

4шт.

11

01643-31445

WASHER

SN: 55001-@

4шт.

|$17

708-1W-04420

SHUTTLE VALVE ASS'Y

SN: 55001-55307

1шт.

12

0

SLEEVE

SN: 55001-55307

1шт.

13

0

HOLDER

SN: 55001-55307

1шт.

14

720-2M-15430

SEAL

SN: 55001-@

1шт.

15

0

BALL

SN: 55001-55307

1шт.

16

720-2M-15440

SEAL

SN: 55001-@

1шт.

17

0

CAP,END

SN: 55001-@

1шт.

18

0

BEARING

SN: 55001-@

1шт.

19

0

BALL

SN: 55001-@

2шт.

20

0

CAM,ROCKER

SN: 55001-@

1шт.

21

0

SHAFT

SN: 55001-@

1шт.

22

0

BEARING

SN: 55001-@

1шт.

23

708-1U-12320

CASE,SEAL

SN: 55001-@

1шт.

24

708-1W-42130

SEAL,OIL

SN: 55001-@

1шт.

25

07000-B2065

O-RING

SN: 55001-@

1шт.

26

0

SPACER KIT

SN: 55001-@

1шт.

26

0

SPACER, 1.6MM

SN: 55001-@

1шт.

26

0

SPACER, 1.7MM

SN: 55001-@

1шт.

26

0

SPACER, 1.8MM

SN: 55001-@

1шт.

26

0

SPACER, 1.9MM

SN: 55001-@

1шт.

26

0

SPACER, 2.0MM

SN: 55001-@

1шт.

26

0

SPACER, 2.1MM

SN: 55001-@

1шт.

26

0

SPACER, 2.2MM

SN: 55001-@

1шт.

27

04065-07225

RING,SNAP

SN: 55001-@

1шт.

Выбрано товаров: 39