Запчасти Komatsu WA500-6 ГИДР. НАСОС. (РУЛЕВ. УПРАВЛЕНИЕ) (/)(№-) ОСНОВН. КОМПОНЕНТЫ И РЕМКОМПЛЕКТЫ

Схема запчастей Komatsu WA500-6 - ГИДР. НАСОС. (РУЛЕВ. УПРАВЛЕНИЕ) (/)(№-) ОСНОВН. КОМПОНЕНТЫ И РЕМКОМПЛЕКТЫ
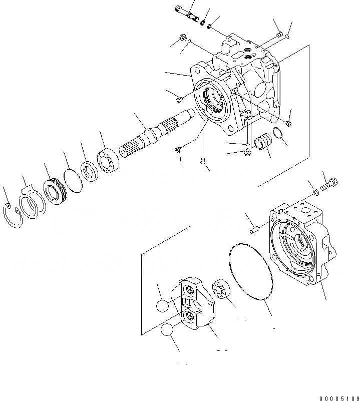
1
2
2
2
2
2
3
4
5
6
7
8
9
10
11
12
13
14
15
16
17
18
19
19
20
21
22
23
24
25
26
27
FIT
1:1
100%

Артикул

Название

Примечание

Количество

|$1

708-1W-00951

PUMP ASS'Y

SN: 55311-UP

1шт.

|$$2

THIS ASSEMBLY CONSISTS OF ALL PARTS SHOWN IN FIGS.Y1600-11A0B T0 Y1600-14A0.

-1шт.

|$4

708-1W-01953

PUMP SUB ASS'Y

SN: 55311-UP

1шт.

|$5

0

CASE ASS'Y

SN: 55311-UP

1шт.

1

0

CASE,PUMP

SN: 55311-UP

1шт.

2

0

PLUG

SN: 55001-UP

5шт.

3

708-1W-44311

SLEEVE

SN: 55311-UP

1шт.

4

708-1W-44220

RING

SN: 55311-UP

1шт.

5

708-8E-16160

PLUG

SN: 55001-UP

1шт.

6

07002-11023

O-RING

SN: 55001-UP

1шт.

7

07040-11409

PLUG

SN: 55001-UP

1шт.

8

07002-11423

O-RING

SN: 55001-UP

1шт.

9

706-73-42370

O-RING

SN: 55001-UP

1шт.

10

07000-B1009

O-RING

SN: 55001-UP

1шт.

11

04020-01024

PIN,DOWEL

SN: 55001-UP

1шт.

12

01010-61470

BOLT

SN: 55001-UP

4шт.

13

01643-31445

WASHER

SN: 55001-UP

4шт.

|$19

708-1W-03930

PLUG ASS'Y

SN: 55308-UP

1шт.

14

0

PLUG

SN: 55308-UP

1шт.

15

720-2M-15430

SEAL

SN: 55001-UP

1шт.

16

720-2M-15440

SEAL

SN: 55001-UP

1шт.

17

0

CAP,END

SN: 55001-UP

1шт.

18

0

BEARING

SN: 55001-UP

1шт.

19

0

BALL

SN: 55001-UP

2шт.

20

0

CAM,ROCKER

SN: 55001-UP

1шт.

21

0

SHAFT

SN: 55001-UP

1шт.

22

0

BEARING

SN: 55001-UP

1шт.

23

708-1W-42140

CASE,SEAL

SN: 55311-UP

1шт.

24

708-1W-42130

SEAL,OIL

SN: 55001-UP

1шт.

25

07000-B2060

O-RING

SN: 55311-UP

1шт.

26

0

SPACER KIT

SN: 55311-UP

1шт.

26

0

SPACER, 2.3MM

SN: 55311-UP

1шт.

26

0

SPACER, 2.4MM

SN: 55311-UP

1шт.

26

0

SPACER, 2.5MM

SN: 55311-UP

1шт.

26

0

SPACER, 2.6MM

SN: 55311-UP

1шт.

26

0

SPACER, 2.7MM

SN: 55311-UP

1шт.

26

0

SPACER, 2.8MM

SN: 55311-UP

1шт.

26

0

SPACER, 2.9MM

SN: 55311-UP

1шт.

27

04065-06825

RING,SNAP

SN: 55311-UP

1шт.

Выбрано товаров: 39