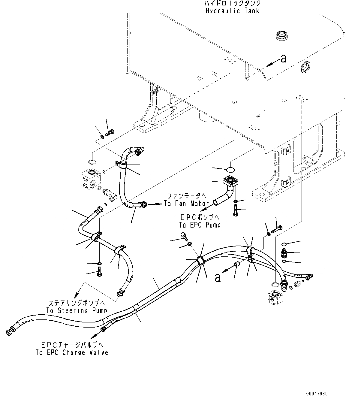
Запчасти Komatsu WA500-6 ДВЕРЦЫ КАПОТА, ГИДР. БАК. ТРУБЫ (/) (№-) ДВЕРЦЫ КАПОТА

Схема запчастей Komatsu WA500-6 - ДВЕРЦЫ КАПОТА, ГИДР. БАК. ТРУБЫ (/) (№-) ДВЕРЦЫ КАПОТА
6
7
8
9
2
1
2
3
5
4
28
26
25
24
27
3
23
22
21
20
19
18
17
16
15
14
11
12
10
11
12
13
23
22
FIT
1:1
100%

Артикул

Название

Примечание

Количество

1

425-62-32411

Hose

SN: 55425-UP

1шт.

2

04434-53211

Clip

SN: 55425-UP

2шт.

3

07095-20523

Cushion

SN: 55425-UP

2шт.

4

01010-81020

Bolt

SN: 55425-UP

2шт.

5

01643-31032

Washer

SN: 55425-UP

2шт.

6

425-62-33851

Tube

SN: 55425-UP

1шт.

7

07000-B3042

O-ring

SN: 55425-UP

1шт.

8

07372-21040

Bolt

SN: 55425-UP

4шт.

9

01643-51032

Washer

SN: 55425-UP

4шт.

10

425-62-33832

Hose

SN: 55425-UP

1шт.

11

04434-51910

Clip

SN: 55425-UP

2шт.

12

07095-20213

Cushion

SN: 55425-UP

2шт.

13

423-54-11340

Spacer

SN: 55425-UP

1шт.

14

01010-81050

Bolt

SN: 55425-UP

1шт.

15

01643-31032

Washer

SN: 55425-UP

1шт.

16

01010-81025

Bolt

SN: 55425-UP

1шт.

17

01643-31032

Washer

SN: 55425-UP

1шт.

18

425-62-34781

Hose

SN: 55425-UP

1шт.

19

02781-00628

Union

SN: 55425-UP

1шт.

20

07002-62434

O-ring

SN: 55425-UP

1шт.

21

02896-61018

O-ring

SN: 55425-UP

1шт.

22

04434-53211

Clip

SN: 55425-UP

2шт.

23

07095-20523

Cushion

SN: 55425-UP

2шт.

24

425-62-33451

Hose

SN: 55425-UP

1шт.

24

08210-02902

Tube, Spiral

SN: 55425-UP

1шт.

24

08210-02904

Tube, Spiral

SN: 55425-UP

1шт.

25

04434-53211

Clip

SN: 55425-UP

1шт.

26

07095-20523

Cushion

SN: 55425-UP

1шт.

27

01010-81020

Bolt

SN: 55425-UP

1шт.

28

01643-31032

Washer

SN: 55425-UP

1шт.

Выбрано товаров: 30