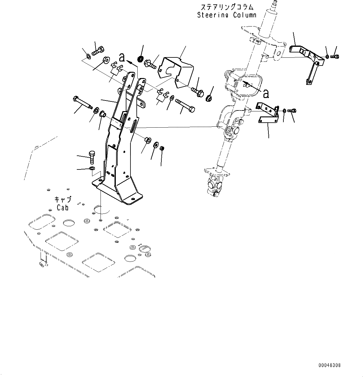
Запчасти Komatsu WA500-6 ПОЛ, РУЛЕВ. КОЛОН. КРЕПЛЕНИЕ (№-) ПОЛ

Схема запчастей Komatsu WA500-6 - ПОЛ, РУЛЕВ. КОЛОН. КРЕПЛЕНИЕ (№-) ПОЛ
7
8
9
12
13
14
15
16
17
18
19
10
11
21
15
14
20
21
20
8
9
5
2
4
6
1
3
FIT
1:1
100%

Артикул

Название

Примечание

Количество

1

423-40-42172

Bracket

SN: 55425-UP

1шт.

2

01010-80616

Bolt

SN: 55425-UP

2шт.

3

01643-30623

Washer

SN: 55425-UP

2шт.

4

423-40-42210

Support

SN: 55425-UP

1шт.

5

01010-80616

Bolt

SN: 55425-UP

2шт.

6

01643-30623

Washer

SN: 55425-UP

2шт.

7

423-40-42190

Bracket

SN: 55425-UP

1шт.

8

01010-81030

Bolt

SN: 55425-UP

4шт.

9

01643-31032

Washer

SN: 55425-UP

4шт.

10

01010-81085

Bolt

SN: 55425-UP

2шт.

11

01643-31032

Washer

SN: 55425-UP

2шт.

12

01594-01008

Nut

SN: 55425-UP

2шт.

13

423-40-42180

Plate

SN: 55425-UP

1шт.

14

01435-41016

Bolt

SN: 55425-UP

2шт.

15

363-54-31450

Cap

SN: 55425-UP

2шт.

16

01643-31232

Washer

SN: 55425-UP

1шт.

17

423-40-32160

Bolt

SN: 55425-UP

1шт.

18

22W-43-17330

Washer

SN: 55425-UP

1шт.

19

01580-10806

Nut

SN: 55425-UP

1шт.

20

421-40-32410

Bushing

SN: 55425-UP

2шт.

21

421-40-22650

Shim, T=0.5mm

SN: 55425-UP

8шт.

Выбрано товаров: 21