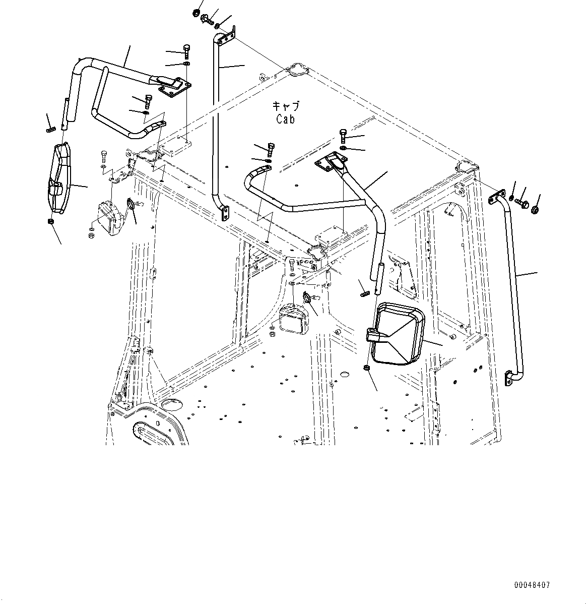
Запчасти Komatsu WA500-6 ЗАДН.VIEW ЗЕРКАЛА(№79-) ЗАДН.VIEW MIRROR, БЕЗ NUMBER ПЛАСТИНА

Схема запчастей Komatsu WA500-6 - ЗАДН.VIEW ЗЕРКАЛА(№79-) ЗАДН.VIEW MIRROR, БЕЗ NUMBER ПЛАСТИНА
4
3
3
4
5
6
7
8
9
13
11
2
9
4
1
12
10
8
10
12
11
4
3
5
3
13
FIT
1:1
100%

Артикул

Название

Примечание

Количество

1

425-54-33212

Stay

SN: 55479-UP

1шт.

2

425-54-33222

Stay

SN: 55479-UP

1шт.

3

01010-D1025

Bolt

SN: 55479-UP

10шт.

4

01643-71032

Washer

SN: 55479-UP

10шт.

5

22M-54-26180

Cap

SN: 55479-UP

2шт.

6

425-926-3832

Handrail

SN: 56044-UP

1шт.

6

425-926-3831

Handrail

SN: 55479-56043

1шт.

7

425-926-3842

Handrail

SN: 56044-UP

1шт.

7

425-926-3841

Handrail

SN: 55479-56043

1шт.

8

01435-01025

Bolt

SN: 55479-UP

6шт.

9

01643-31032

Washer

SN: 55479-UP

6шт.

10

363-54-31450

Cap

SN: 55479-UP

6шт.

11

421-54-25610

Mirror

SN: 55479-UP

2шт.

11

421-54-25620

Bushing

SN: 55479-UP

2шт.

|$14

421-54-25630

Holder

SN: 55479-UP

1шт.

|$15

421-54-25640

Lens

SN: 55479-UP

1шт.

|$16

421-54-25650

Frame

SN: 55479-UP

1шт.

|$17

421-54-25660

Screw

SN: 55479-UP

4шт.

12

04025-00632

Pin, Spring

SN: 55479-UP

2шт.

13

08034-40521

Band

SN: 55479-UP

2шт.

Выбрано товаров: 0