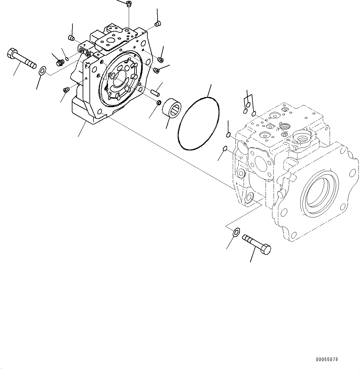
Запчасти Komatsu WA500-6 ГИДР. НАСОС., ПОГРУЗ. НАСОС (/8) (№79-) ГИДР. НАСОС., С ТОРМОЗ. МАСЛ. СИСТЕМА ОХЛАЖДЕНИЯ

Схема запчастей Komatsu WA500-6 - ГИДР. НАСОС., ПОГРУЗ. НАСОС (/8) (№79-) ГИДР. НАСОС., С ТОРМОЗ. МАСЛ. СИСТЕМА ОХЛАЖДЕНИЯ
2
2
9
2
2
2
5
3
4
6
8
10
7
7
8
1
12
11
5
5
FIT
1:1
100%

Артикул

Название

Примечание

Количество

|$0

708-1H-00030

Pump Assembly

SN: 55479-UP

1шт.

|$1

708-1H-01031

Pump Subassembly

SN: 55479-UP

1шт.

|$2

708-1H-04610

Cap Assembly, End

SN: 55479-UP

1шт.

1

Cap, End

SN: 55479-UP

1шт.

2

Plug

SN: 55479-UP

19шт.

3

708-2H-12430

Bearing

SN: 55479-UP

1шт.

4

07000-A5190

O-ring

SN: 55479-UP

1шт.

5

07000-B2012

O-ring

SN: 55479-UP

5шт.

6

04020-01434

Pin, Dowel

SN: 55479-UP

1шт.

7

01010-61860

Bolt

SN: 55479-UP

5шт.

8

01643-31845

Washer

SN: 55479-UP

5шт.

9

708-1L-29340

Orifice

SN: 55479-UP

1шт.

10

708-2L-25480

Filter

SN: 55479-UP

2шт.

11

708-8E-16150

Plug

SN: 55479-UP

1шт.

12

07002-61023

O-ring

SN: 55479-UP

1шт.

Выбрано товаров: 15