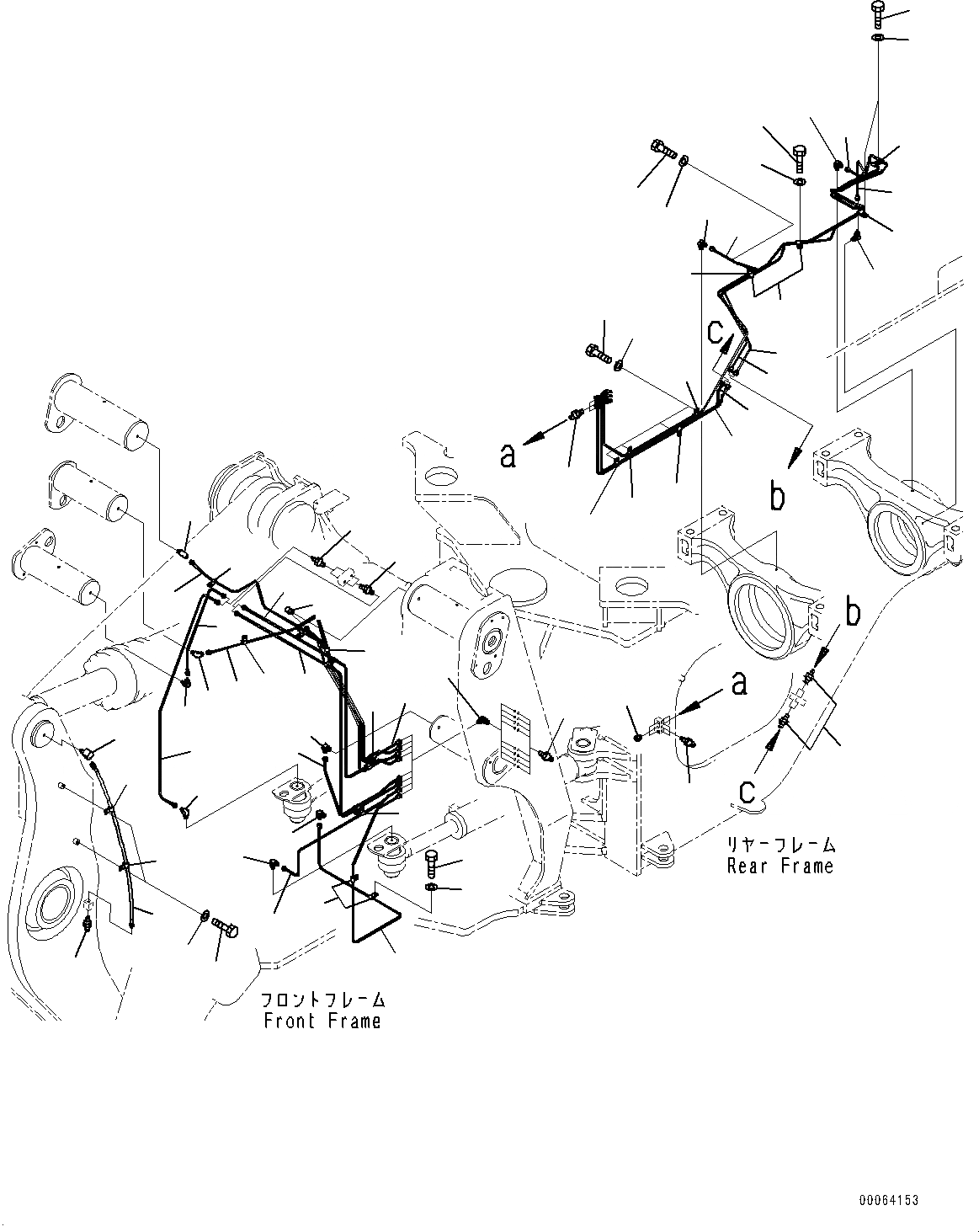
Запчасти Komatsu WA500-6 УДАЛЕНН. СИСТ. СМАЗКИ ТРУБКА (№79-) УДАЛЕНН. СИСТ. СМАЗКИ ТРУБКА, С 2-Х СЕКЦИОНН. УПРАВЛЯЮЩ. КЛАПАН, ТОРМОЗ. МАСЛ. СИСТЕМА ОХЛАЖДЕНИЯ

Схема запчастей Komatsu WA500-6 - УДАЛЕНН. СИСТ. СМАЗКИ ТРУБКА (№79-) УДАЛЕНН. СИСТ. СМАЗКИ ТРУБКА, С 2-Х СЕКЦИОНН. УПРАВЛЯЮЩ. КЛАПАН, ТОРМОЗ. МАСЛ. СИСТЕМА ОХЛАЖДЕНИЯ
16
14
3
11
8
11
5
11
13
1
11
14
15
7
4
2
11
11
6
12
12
14
14
11
14
11
9
10
19
18
20
25
22
26
23
21
25
25
23
20
21
17
24
24
27
24
23
25
24
26
27
26
27
26
27
36
33
33
31
32
34
35
11
30
28
29
22
FIT
1:1
100%

Артикул

Название

Примечание

Количество

1

425-46-36110

Tube

SN: 55479-UP

1шт.

2

425-46-36120

Tube

SN: 55479-UP

1шт.

3

425-46-36130

Tube

SN: 55479-UP

1шт.

4

425-46-36191

Tube

SN: 55479-UP

1шт.

5

425-46-36152

Tube

SN: 55479-UP

1шт.

6

425-46-36140

Tube

SN: 55479-UP

1шт.

7

425-46-36181

Tube

SN: 55479-UP

1шт.

8

425-46-36171

Tube

SN: 55479-UP

1шт.

9

425-46-36160

Tube

SN: 55479-UP

1шт.

10

425-46-36240

Tube

SN: 55479-UP

1шт.

11

421-09-12540

Elbow

SN: 55479-UP

16шт.

12

423-09-12110

Connector

SN: 55479-UP

4шт.

13

04435-50610

Clip

SN: 55479-UP

1шт.

14

04434-50610

Clip

SN: 55479-UP

15шт.

15

01010-81016

Bolt

SN: 55479-UP

11шт.

16

01643-31032

Washer

SN: 55479-UP

11шт.

17

425-46-36213

Tube

SN: 55479-UP

1шт.

18

425-46-36223

Tube

SN: 55479-UP

1шт.

19

425-46-36232

Tube

SN: 55479-UP

1шт.

20

425-46-36251

Tube

SN: 55479-UP

1шт.

21

425-46-36261

Tube

SN: 55479-UP

1шт.

22

423-09-12110

Connector

SN: 55479-UP

7шт.

23

421-09-12540

Elbow

SN: 55479-UP

3шт.

24

04434-50610

Clip

SN: 55479-UP

5шт.

25

04435-50610

Clip

SN: 55479-UP

5шт.

26

01010-81016

Bolt

SN: 55479-UP

8шт.

27

01643-31032

Washer

SN: 55479-UP

8шт.

28

07020-00000

Fitting, Grease

SN: 55479-UP

3шт.

29

07043-70108

Plug

SN: 55479-UP

3шт.

30

07020-00000

Fitting, Grease

SN: 55479-UP

8шт.

31

426-70-13270

Elbow

SN: 55479-UP

1шт.

32

426-70-13291

Hose

SN: 55479-UP

1шт.

33

04434-51210

Clip

SN: 55479-UP

2шт.

34

01010-81016

Bolt

SN: 55479-UP

2шт.

35

01643-31032

Washer

SN: 55479-UP

2шт.

36

07020-00000

Fitting, Grease

SN: 55479-UP

1шт.

Выбрано товаров: 0