Запчасти Komatsu WA500-6 КАБИНА ROPS, KOMTRAX КОНТРОЛЛЕР (№79-) КАБИНА ROPS, MONOCOQUE ТИП, BOTH РАМА ОКНА, С ECSS, АВТОМАТИЧ. КОНДИЦ. ВОЗДУХА, ПОГРУЗ. METER, KOMTRAX

Схема запчастей Komatsu WA500-6 - КАБИНА ROPS, KOMTRAX КОНТРОЛЛЕР (№79-) КАБИНА ROPS, MONOCOQUE ТИП, BOTH РАМА ОКНА, С ECSS, АВТОМАТИЧ. КОНДИЦ. ВОЗДУХА, ПОГРУЗ. METER, KOMTRAX
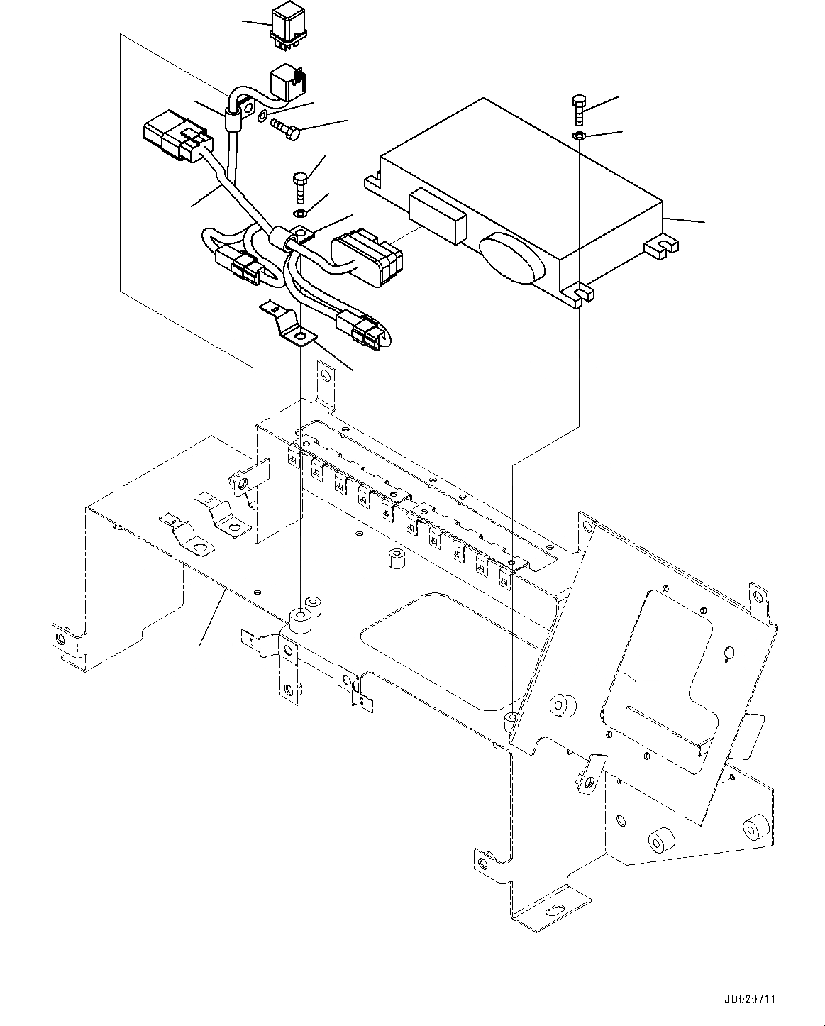
1
2
3
4
5
6
7
9
10
8
9
10
11
FIT
1:1
100%

Артикул

Название

Примечание

Количество

1

7826-20-7038

Controller, KOMTRAX

SN: 56121-UP

1шт.

1

7826-20-7037

Controller

SN: 55802-56120

1шт.

1

7826-20-7035

Controller

SN: 55479-55801

1шт.

2

01010-80816

Bolt

SN: 55479-UP

4шт.

3

01643-30823

Washer

SN: 55479-UP

4шт.

4

425-06-32312

Wiring Harness

SN: 55479-UP

1шт.

5

569-06-61960

Relay

SN: 55479-UP

1шт.

6

04434-51010

Clip

SN: 55479-UP

1шт.

7

04434-51410

Clip

SN: 55479-UP

1шт.

8

08053-01510

Clip

SN: 55479-UP

1шт.

9

01010-81020

Bolt

SN: 55479-UP

2шт.

10

01643-31032

Washer

SN: 55479-UP

2шт.

11

425-06-31114

Bracket

SN: UP

-1шт.

Выбрано товаров: 13