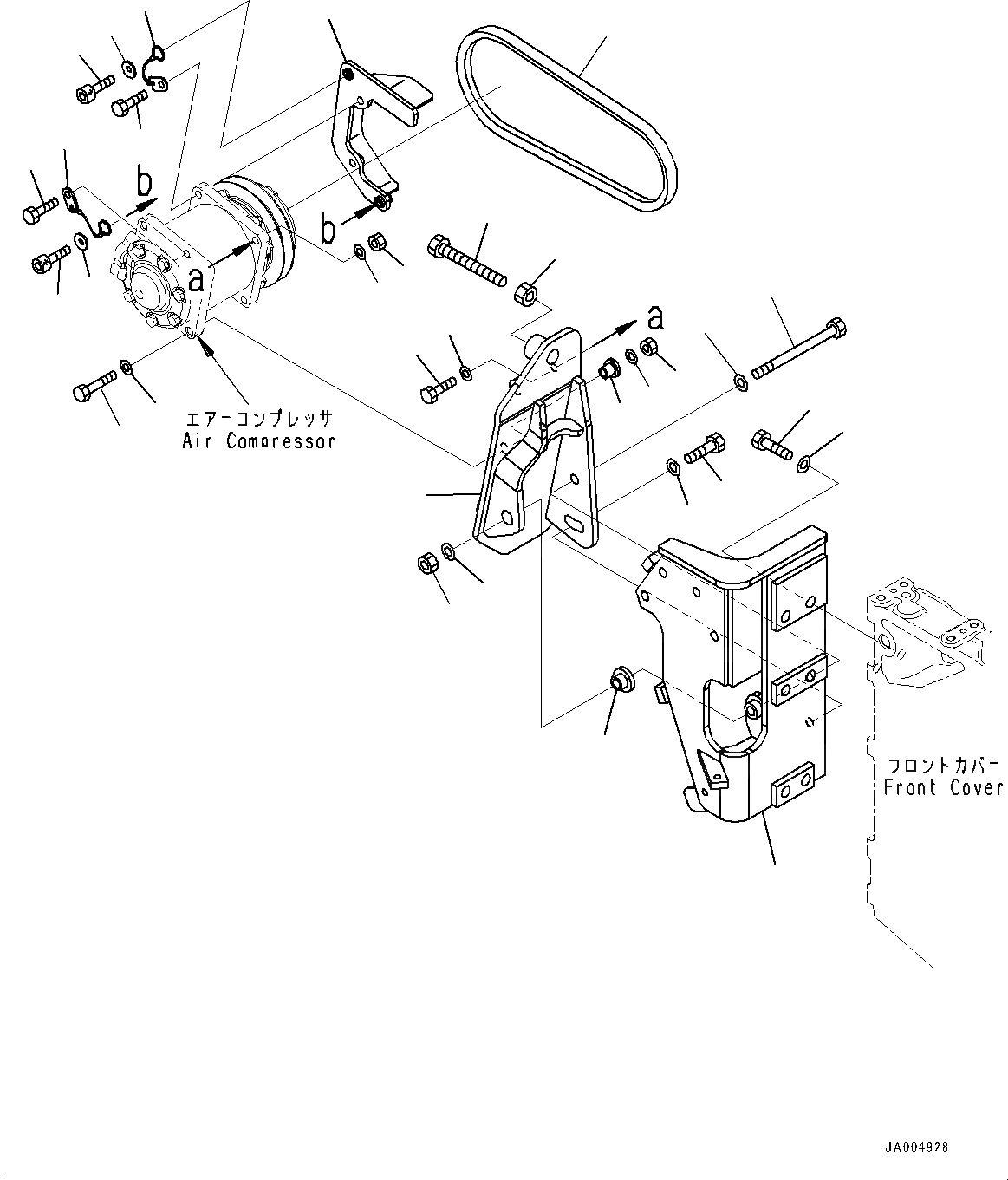
Запчасти Komatsu WA500-6 КОНДИЦ. ВОЗДУХА КОМПРЕССОР КРЕПЛЕНИЕ, КОМПРЕССОР КРЕПЛЕНИЕ (№8-) КОНДИЦ. ВОЗДУХА КОМПРЕССОР КРЕПЛЕНИЕ, С КОНДИЦИОНЕРОМ

Схема запчастей Komatsu WA500-6 - КОНДИЦ. ВОЗДУХА КОМПРЕССОР КРЕПЛЕНИЕ, КОМПРЕССОР КРЕПЛЕНИЕ (№8-) КОНДИЦ. ВОЗДУХА КОМПРЕССОР КРЕПЛЕНИЕ, С КОНДИЦИОНЕРОМ
18
17
16
15
20
12
11
10
9
7
6
5
4
3
2
1
10
5
8
11
14
13
24
25
23
21
22
19
20
19
22
21
FIT
1:1
100%

Артикул

Название

Примечание

Количество

1

425-S62-3122

Bracket

SN: 55479-UP

1шт.

2

419-07-11761

Collar

SN: 55479-UP

1шт.

3

01011-81250

Bolt

SN: 55479-UP

1шт.

4

01580-11210

Nut

SN: 55479-UP

1шт.

5

01643-31232

Washer

SN: 55479-UP

2шт.

6

01010-81045

Bolt

SN: 55479-UP

2шт.

7

01643-31032

Washer

SN: 55479-UP

2шт.

8

01010-81055

Bolt

SN: 55479-UP

2шт.

9

01643-31032

Washer

SN: 55479-UP

2шт.

10

01643-31032

Washer

SN: 55479-UP

6шт.

11

01580-01008

Nut

SN: 55479-UP

4шт.

12

425-S62-3160

Collar

SN: 55479-UP

2шт.

13

01010-81250

Bolt

SN: 55479-UP

1шт.

14

01643-31232

Washer

SN: 55479-UP

1шт.

15

01580-11613

Nut

SN: 55479-UP

1шт.

16

01017-51620

Bolt

SN: 55479-UP

1шт.

17

04120-21735

V-belt

SN: 55479-UP

1шт.

18

425-S62-3280

Cover

SN: 55508-UP

1шт.

19

425-S62-3270

Bolt

SN: 55508-UP

2шт.

20

01010-80835

Bolt

SN: 55479-UP

1шт.

21

01252-A0820

Bolt, Hexagon Socket Head

SN: 55523-UP

2шт.

21

01010-80820

Bolt

SN: 55508-55522

2шт.

22

154-61-16570

Washer

SN: 55508-UP

2шт.

23

425-S62-3114

Bracket

SN: 55479-UP

1шт.

24

01010-81240

Bolt

SN: 55479-UP

6шт.

25

01643-31232

Washer

SN: 55479-UP

6шт.

Выбрано товаров: 26