Запчасти Komatsu WA500-6 ПОЛ ТАБЛИЧКИ (№79-) ПОЛ ТАБЛИЧКИ, АНГЛ.

Схема запчастей Komatsu WA500-6 - ПОЛ ТАБЛИЧКИ (№79-) ПОЛ ТАБЛИЧКИ, АНГЛ.
24
21
20
17
19
15
12
11
10
9
8
7
6
5
4
3
2
1
16
22
23
13
14
18
FIT
1:1
100%

Артикул

Название

Примечание

Количество

|$0

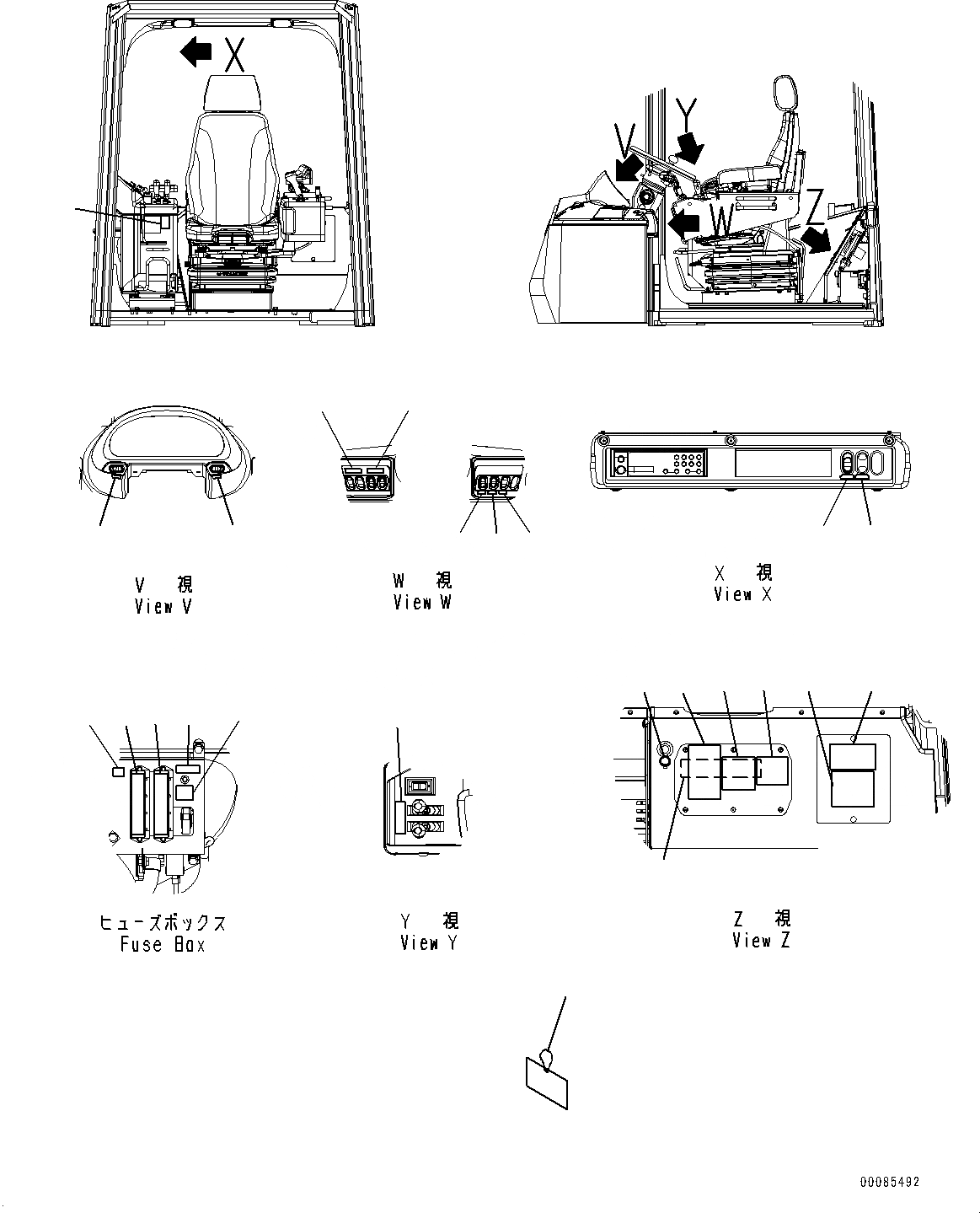
425-93-42321

Plate

SN: 55479-UP

1шт.

1

Plate, Warning, Before Moving Machine

SN: 55479-UP

1шт.

2

Plate, Relay

SN: 55479-UP

1шт.

3

Plate, Fuse Cover

SN: 55479-UP

1шт.

4

Plate, Fuse Cover

SN: 55479-UP

1шт.

5

Plate, Praking Brake Release

SN: 55479-UP

1шт.

6

Plate, Emergency Parking Brake Release

SN: 55479-UP

1шт.

7

Plate, Warning, Parking Brake Release, Towing

SN: 55479-UP

1шт.

7

425-93-41191

Plate

SN: 55479-UP

1шт.

8

Plate, Shift Pattern

SN: 55479-UP

1шт.

9

Plate, Work Equipment Control Lever Lock

SN: 55479-UP

1шт.

10

Plate, Warning, Read Manual Before Operating

SN: 55479-UP

1шт.

11

Plate, Warning, Before Leaving Seat

SN: 55479-UP

1шт.

12

22U-00-21510

Plate, 12volt Socket

SN: 55479-UP

1шт.

12

425-93-42332

Plate

SN: 55479-UP

1шт.

13

Plate, Rear Work Lamp

SN: 55479-UP

1шт.

14

Plate, Front Work Lamp

SN: 55479-UP

1шт.

15

Plate, Parking Brake

SN: 55479-UP

1шт.

16

Plate, Glass Heater

SN: 55479-UP

1шт.

17

Plate, Auto Grease

SN: 55479-UP

1шт.

18

Plate, Beacon Lamp

SN: 55479-UP

1шт.

19

Plate, Main Monitor

SN: 55479-UP

1шт.

20

Plate, Load Meter

SN: 55479-UP

1шт.

21

Plate, E.C.S.S.

SN: 55479-UP

1шт.

22

09801-13001

Plate, Danger, High Voltage Hazard

SN: 55479-UP

1шт.

23

09963-03001

Tag, Danger, Do Not Operate

SN: 55479-UP

1шт.

24

425-93-42350

Plate, Start Neutral Hold

SN: 55479-UP

1шт.

Выбрано товаров: 27