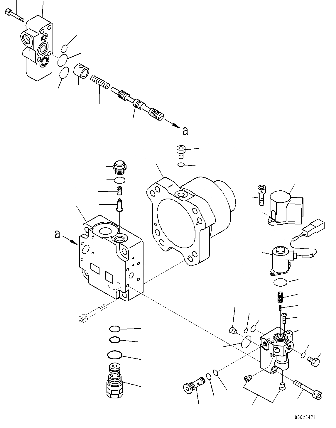
Запчасти Komatsu WA500-6 ДВЕРЦЫ КАПОТА, ВНУТР. ЧАСТИ, МОТОР ВЕНТИЛЯТОРА (/) (№79-) ДВЕРЦЫ КАПОТА, С ЭКСТРЕНН. УПРАВЛ., АВТОМАТИЧ. УПРАВЛ-Е ТИП

Схема запчастей Komatsu WA500-6 - ДВЕРЦЫ КАПОТА, ВНУТР. ЧАСТИ, МОТОР ВЕНТИЛЯТОРА (/) (№79-) ДВЕРЦЫ КАПОТА, С ЭКСТРЕНН. УПРАВЛ., АВТОМАТИЧ. УПРАВЛ-Е ТИП
3
1
8
14
7
4
11
6
10
9
15
13
12
16
5
2
36
39
38
37
34
33
32
31
35
30
29
28
27
26
25
24
23
22
21
20
19
18
17
FIT
1:1
100%

Артикул

Название

Примечание

Количество

|$0

708-7T-00710

Motor Assembly

SN: 55479-UP

1шт.

1

708-7T-11350

Case

SN: 55479-UP

1шт.

2

07040-11007

Plug

SN: 55479-UP

1шт.

3

07002-21023

O-ring

SN: 55479-UP

1шт.

3

708-7T-01390

Cover Subassembly

SN: 55479-UP

1шт.

4

Cover, End

SN: 55479-UP

1шт.

5

708-7R-11210

Valve

SN: 55479-UP

1шт.

6

722-10-91130

Spring

SN: 55479-UP

1шт.

7

709-32-12861

Plug

SN: 55479-UP

1шт.

8

07002-21823

O-ring

SN: 55479-UP

1шт.

9

Spool

SN: 55479-UP

1шт.

10

708-7S-18120

Spring

SN: 55479-UP

1шт.

11

708-7S-18310

Spacer

SN: 55479-UP

1шт.

12

708-7S-18320

Cover

SN: 55479-UP

1шт.

13

07000-E2020

O-ring

SN: 55479-UP

1шт.

14

07000-E2025

O-ring

SN: 55479-UP

1шт.

15

07000-E2012

O-ring

SN: 55479-UP

1шт.

16

01252-60845

Bolt, Hexagon Socket Head

SN: 55479-UP

4шт.

16

708-7S-01330

Valve Assembly, Pilot

SN: 55479-UP

1шт.

17

702-21-56241

Solenoid

SN: 55479-UP

1шт.

18

702-21-55870

O-ring

SN: 55479-UP

1шт.

19

Case

SN: 55479-UP

1шт.

20

Spool

SN: 55479-UP

1шт.

21

708-7R-18270

Spring

SN: 55479-UP

1шт.

22

708-21-12541

Plug

SN: 55479-UP

2шт.

23

01252-60616

Bolt, Hexagon Socket Head

SN: 55479-UP

2шт.

24

708-7S-18360

O-ring

SN: 55479-UP

1шт.

25

702-21-54180

Screw

SN: 55479-UP

2шт.

26

07000-F1008

O-ring

SN: 55479-UP

1шт.

27

708-7S-18230

O-ring

SN: 55479-UP

1шт.

28

07040-11007

Plug

SN: 55479-UP

1шт.

29

07002-21023

O-ring

SN: 55479-UP

1шт.

30

708-2L-29460

Orifice

SN: 55479-UP

1шт.

31

708-1S-18180

Cover

SN: 55479-UP

1шт.

32

708-7R-18230

Filter

SN: 55479-UP

1шт.

33

07002-21423

O-ring

SN: 55479-UP

1шт.

34

07000-F1009

O-ring

SN: 55479-UP

1шт.

35

01252-60835

Bolt, Hexagon Socket Head

SN: 55479-UP

4шт.

36

708-7T-02340

Valve, Relief

SN: 55479-UP

1шт.

37

07000-F2016

O-ring

SN: 55479-UP

1шт.

38

07001-02016

Ring, Back-up

SN: 55479-UP

1шт.

39

07002-22434

O-ring

SN: 55479-UP

1шт.

Выбрано товаров: 42