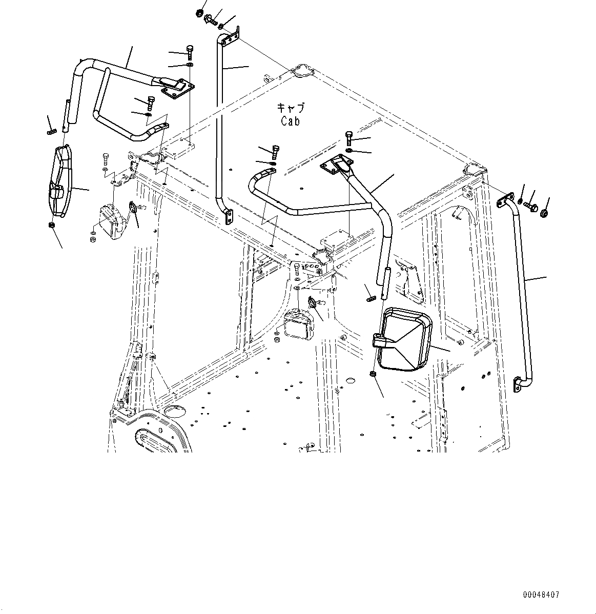
Запчасти Komatsu WA500-6 ЗАДН.VIEW ЗЕРКАЛА(№79-) ЗАДН.VIEW MIRROR, БЕЗ NUMBER ПЛАСТИНА
4
3
3
4
5
6
7
8
9
13
11
2
9
4
1
12
10
8
10
12
11
4
3
5
3
13
1
425-54-33212
Stay
SN: 55479-UP
1шт.
2
425-54-33222
Stay
SN: 55479-UP
1шт.
3
01010-D1025
Bolt
SN: 55479-UP
10шт.
4
01643-71032
Washer
SN: 55479-UP
10шт.
5
22M-54-26180
Cap
SN: 55479-UP
2шт.
6
425-926-3832
Handrail
SN: 56044-UP
1шт.
6
425-926-3831
Handrail
SN: 55479-56043
1шт.
7
425-926-3842
Handrail
SN: 56044-UP
1шт.
7
425-926-3841
Handrail
SN: 55479-56043
1шт.
8
01435-01025
Bolt
SN: 55479-UP
6шт.
9
01643-31032
Washer
SN: 55479-UP
6шт.
10
363-54-31450
Cap
SN: 55479-UP
6шт.
11
421-54-25610
Mirror
SN: 55479-UP
2шт.
11
421-54-25620
Bushing
SN: 55479-UP
2шт.
|$14
421-54-25630
Holder
SN: 55479-UP
1шт.
|$15
421-54-25640
Lens
SN: 55479-UP
1шт.
|$16
421-54-25650
Frame
SN: 55479-UP
1шт.
|$17
421-54-25660
Screw
SN: 55479-UP
4шт.
12
04025-00632
Pin, Spring
SN: 55479-UP
2шт.
13
08034-40521
Band
SN: 55479-UP
2шт.
Выбрано товаров: 0